Nắp Rửa Điện Tử Washlet TOTO TCF6631A#NW1 Dòng C2 sở hữu thiết kế thân dài tích hợp bảng điều khiển ngay trên nắp, vận hành với công suất 410W và sử dụng điện áp 220V. Sản phẩm được trang bị nhiều tiện ích tự động như làm sạch bằng Ewater, sưởi ấm, khử mùi, mang đến trải nghiệm vệ sinh cá nhân tiện lợi, tối ưu cho mọi không gian nhà vệ sinh.

Thông số kỹ thuật Nắp Rửa Điện Tử Washlet TOTO TCF6631A#NW1 Dòng C2
- Mã sản phẩm: TCF6631A#NW1
- Thiết kế: Thân dài, bảng điều khiển gắn liền nắp
- Áp lực nước: 0.05MPa ~ 0.75MPa
- Nguồn điện: 220V/50/60Hz, công suất 410W
- Vật liệu: Nhựa
- Màu sắc: Trắng
- Xuất xứ: Malaysia
- Tương thích:
- Bồn cầu 1 khối TOTO: C885D, C889DR, C887R,…
- Bồn cầu 2 khối TOTO: C300, C320, C325,…
- Bồn cầu 1 khối INAX: AC-900, AC-1035,…
- Hầu hết các dòng của American Standard, Viglacera, Caesar,…

Tính năng nổi bật Nắp Rửa Điện Tử Washlet TOTO TCF6631A#NW1 Dòng C2
- Sản phẩm TCF6631A#NW1 trang bị bảng điều khiển tích hợp bên cạnh nắp, cho phép người dùng thao tác dễ dàng, phù hợp với những ai ưu tiên sự gọn gàng và trực quan khi sử dụng.

- Tính năng sưởi ấm nắp ngồi giúp duy trì cảm giác dễ chịu vào mùa lạnh, hỗ trợ người dùng không bị lạnh đột ngột khi tiếp xúc với bệ ngồi, đặc biệt phù hợp cho người già hoặc trẻ nhỏ.
- Công nghệ phun sương làm sạch tự động giúp loại bỏ vi khuẩn tồn đọng trên vòi rửa và lòng bồn cầu bằng nước đã qua điện phân, hạn chế mùi và ngăn vi khuẩn phát sinh sau mỗi lần sử dụng.
- Hai chế độ rửa trước và rửa sau được tích hợp chức năng massage bằng tia nước nhẹ, đồng thời người dùng có thể điều chỉnh vị trí vòi linh hoạt để phù hợp với từng thể trạng.

- Tính năng khử mùi tự động được kích hoạt sau mỗi lần sử dụng giúp loại bỏ mùi khó chịu, giữ cho không gian vệ sinh luôn khô thoáng, sạch mùi và dễ chịu trong suốt ngày dài.

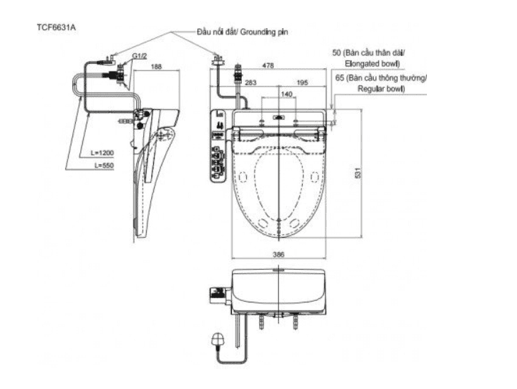
Bản vẽ kỹ thuật Nắp Rửa Điện Tử Washlet TOTO TCF6631A#NW1

Danh mục: Thiết Bị Vệ Sinh / Bồn Cầu / Bồn cầu TOTO / Bồn Cầu Thông Minh TOTO / Nắp Bồn Cầu Thông Minh TOTO
Thương hiệu: Thiết Bị Vệ Sinh TOTO
Review Nắp Rửa Điện Tử Washlet TOTO TCF6631A#NW1 Dòng C2
There are no reviews yet.