Vòi Cảm Ứng TOTO TLE29002A/TLE01502A1/TLN01102A Lạnh là sự lựa chọn lý tưởng cho khu vực công cộng. Đồng thời, sản phẩm mang đến sự đổi mới công nghệ, mang lại trải nghiệm tiện lợi và hiện đại trong cuộc sống hàng ngày.
Thông số cơ bản của Bộ Điều Khiển Vòi Cảm Ứng TOTO TLE01502A1/TLN01102A 220V Lạnh
- Thiết kế: Sang trọng, hiện đại
- Nguồn nước: Lạnh
- Dùng điện 220V
- Lưu lượng nước: 2L/phút
- Áp lực nước: 0.05 ~ 0.75 MPa
- Chất liệu: Đồng mạ chrome bóng
- Bộ điều khiển vòi cảm ứng kèm dây cấp, van dừng
- Xuất xứ: Trung Quốc
Ưu điểm của Bộ Điều Khiển Vòi Cảm Ứng TOTO TLE01502A1/TLN01102A 220V Lạnh
- Thiết kế theo quy chuẩn tiên tiến, thiết kế tinh tế, phù hợp với mọi không gian hiện đại.
- Nguồn năng lượng điện 220V được thiết kế an toàn và hiệu quả, giúp hoạt động ổn định và bền bỉ trong thời gian dài.
- Tích hợp công nghệ ECO CAP có khả năng tạo bọt nước và tiết kiệm chi phí nước cho người sử dụng.
- Lớp mạ chrome bóng mang đến vẻ ngoài đẹp mắt và sang trọng và tăng khả năng chống oxy hóa, chống ăn mòn.
Tính năng của Bộ Điều Khiển Vòi Cảm Ứng TOTO TLE01502A1/TLN01102A 220V Lạnh
Vòi Cảm Ứng TOTO TLE29002A/TLE01502A1/TLN01102A Lạnh sử dụng công nghệ cảm ứng tiên tiến, cho phép vòi cảm ứng tự động kích hoạt khi có sự tiếp xúc với tay hoặc vật thể, đảm bảo sự tiện lợi và vệ sinh
Bộ điều khiển kết hợp tính năng tự động tắt sau một khoảng thời gian sử dụng nhất định. Người dùng có thể thiết lập thời gian sử dụng phù hợp để tiết kiệm nước và điện.
Bộ Điều Khiển Vòi Cảm Ứng TOTO TLE01502A1/TLN01102A 220V Lạnh cũng cho phép người dùng điều chỉnh áp lực nước trong quá trình sử dụng vòi cảm ứng. Người dùng có thể tăng hoặc giảm áp lực nước để phù hợp với nhu cầu sử dụng.
Ngoài ra, tính năng bảo vệ an toàn còn giúp ngăn ngừa các sự cố không mong muốn như quá tải hoặc ngắn mạch trong quá trình sử dụng.
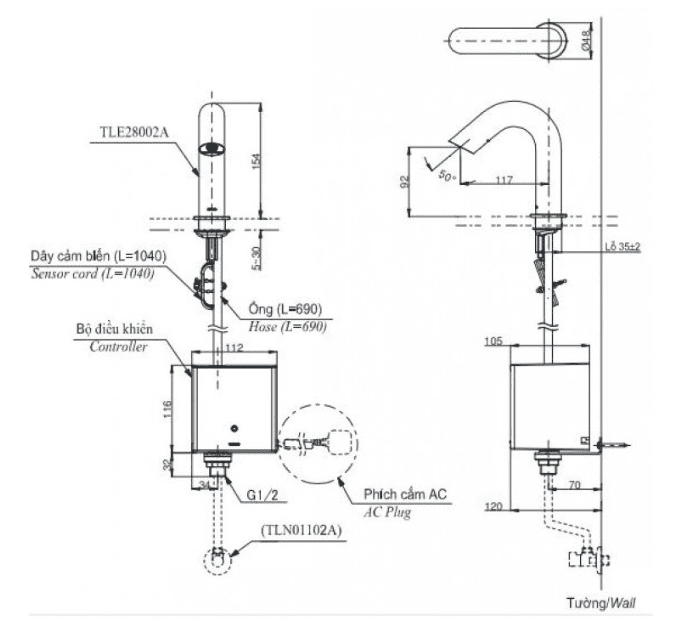
Bản vẽ Bộ Điều Khiển Vòi Cảm Ứng TOTO TLE01502A1/TLN01102A 220V Lạnh
Với những ưu điểm vượt trội và tiên tiên, Vòi Cảm Ứng TOTO TLE29002A/TLE01502A1/TLN01102A Lạnh mang đến sự tiện ích, hiện đại và tiết kiệm nước cho hệ thống vòi cảm ứng trong phòng tắm.
Liên hệ ngay cho Kim Quốc Tiến, bạn sẽ được trải nghiệm những dịch vụ và sản phẩm chất lượng nhất. Chúng tôi chuyên cung cấp các thiết bị vệ sinh TOTO chính hãng đảm bảo với giá cả phù hợp cùng nhiều ưu đãi cực kỳ hấp dẫn.
Review Bộ Điều Khiển Vòi Cảm Ứng TOTO TLE01502A1/TLN01102A 220V Lạnh
Chưa có đánh giá nào.