TLE29002A/TLE01502A1/TLN01102A là loại vòi nước lạnh cảm ứng dùng điện của thương hiệu thiết bị ve sinh TOTO. Với áp lực nước cấp trong khoảng 0.5- 0.75 Mpa (0.6-6.1 kgf/cm2) giúp nước ra êm ái. Chức năng cảm ứng hoạt động hiệu quả dễ sử dụng vừa mang tính thẩm mĩ cao, phục vụ tận tình cho gia đình bạn.

Thông số kỹ thuật vòi cảm ứng TOTO TLE29002A TLE01502A1 TLN01102A
- Mã sản phẩm: TLE29002A/TLE01502A1/TLN01102A
- Xuất xứ: Trung Quốc
- Nguồn nước: Lạnh
- Lưu lượng nước: 2L/phút
- Áp lực nước: 0.05 ~ 0.75 MPa
- Chất liệu: Đồng mạ chrome bóng
- Bộ điều khiển vòi cảm ứng kèm dây cấp, van dừng
- Mua thêm bộ xả TVLF405
Đặc điểm của vòi rửa tay cảm ứng TOTO TLE29002A/TLE01502A1/TLN01102A
Vòi cảm ứng TOTO TLE29002A/TLE01502A1/TLN01102A được làm từ đồng mạ Cr/Ni mang vẻ sáng bóng suốt thời gian bạn sử dụng, lại cực kì dễ lau chùi, vệ sinh. Phù hợp với hầu hết các bồn chậu rửa mặt thông thường.
Mắt cảm ứng này được lắp ngay đầu vòi với khả năng nhận ra nhu cầu sử dụng nước ngay khi bạn đưa tay vào. Khi bạn bỏ tay ra khỏi, mắt cảm ứng cũng nhận biết được và tự động ngắt nước. Giảm thiểu tình trạng quên khoá vòi hay khoá không kỷ làm rò rỉ nước.
Lực xả nước của vòi cực êm, nước ra dạng bọt êm ái, nhẹ nhàng. Lượng nước tiêu thụ trong một phút vào khoảng 2 lít.
Công nghệ ECOPOWER tự tạo năng lượng từ dòng chảy của nước nên tiết kiệm năng lượng điện. Dòng nước được trộn bọt khí và luôn ở mức vừa phải nên giúp người dùng tiết kiệm nước.
Van đĩa bằng sứ chống bám cặn bẩn giúp khóa van nước hoàn toàn.
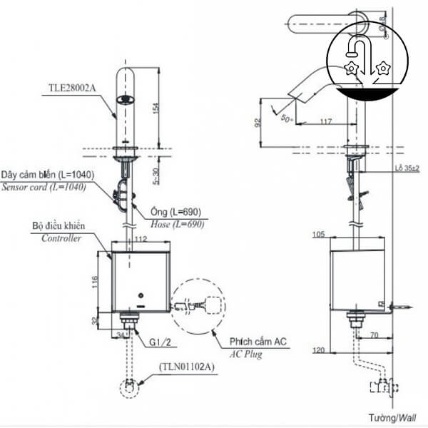
Để thuận tiện hơn trong việc tự lắp đặt tại nhà, xem thêm bản vẽ kỹ thuật của vòi TLE29002A/TLE01502A1/TLN01102A TOTO dưới đây nhé!

Tham khảo các sản phẩm khác tại Kim Quốc Tiến: Vòi cảm ứng TOTO, Vòi nước cảm ứng
Trọn bọ thiết bị vệ sinh toto tại: https://kimquoctien2.puramu.dev/thiet-bi-ve-sinh-toto
Review Vòi Lavabo TOTO TLE29002A/TLE01502A1/TLN01102A Cảm Ứng Nước Lạnh
There are no reviews yet.