Vòi Sen Tắm Nóng Lạnh INAX BFV-5103T-5C đến từ thương hiệu thiết bị vệ sinh nổi tiếng và lâu đời tại Nhật bản sẽ là lựa chọn hoàn hảo cho gia đình bạn.
INAX không chỉ mang tới những sản phẩm chất lượng kèm theo đó là chính sách dịc vụ, hậu mãi vô cùng tốt cho khách hàng khi chọn mua sản phẩm.
Đặc điểm của sen tắm INAX BFV-5103T-5C.
- Mã sản phẩm: BFV-5103T-5C của hãng thiết bị vệ sinh sứ INAX
- Sản xuất tại Việt Nam trên công nghệ hàng đầu Nhật bản
- Áp lực nước : 0.05MPa ~ 0.75MPa
- Mạ Cr-Ni đạt tiêu chuẩn Nhật Bản nên bạn cực kỳ yên tâm về chất lượng
- Tay sen 5 chế độ massage cho khách hàng thoải mái lựa chọn chức năng
- Bên cạnh đó tay sen sử dụng kỹ thuật phun nước bằng cánh quạt bên trong tạo ra hạt nước lớn hơn, phun mạnh cả ở khu vực có áp lực nước yếu.
- Van điều khiển bằng ceramic có độ bền cao giúp tiết kiệm nước hiệu quả.
- Ứng dụng công nghệ INAX Summer Rain tận hưởng cảm giác thoải mái thư gian từ những hạt nước massage theo công nghệ chuẩn hàng đầu INAX.
- Lưu ý cho khách hàng khi sử dụng hãy nên dùng chiếc khăn bông để dễ dàng chùi rửa sản phẩm sau thời gian sử dụng.
- Cách lắp đặt sen tắm dễ dang và nhanh chóng , có phiếu hướng dẫn lắp đặt cũng như phiếu bảo hành đi kèm cho mỗi sản phẩm.
- Danh mục: Thiết Bị Vệ Sinh | Vòi Sen Tắm | Vòi Sen INAX | Sen Nhiệt Độ Inax
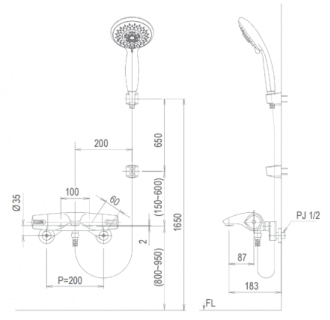
Bản vẽ kĩ thuật của Vòi Sen Tắm Nóng Lạnh INAX BFV-5103T-5C.

Hãy chọn mua hàng INAX chính hãng , giá rẻ tại KIM QUỐC TIẾN để được hưởng nhiều ưu đãi cũng như chiết khấu khác nhau cho khách hàng.
Còn bắt kì thắc mắc về thông tin sản phẩm và đặt hàng thì có thể liên hệ qua hotline: 098.6666.516 để được tư vấn miễn phí
Review Vòi Sen Tắm INAX BFV-5103T-5C Nhiệt Độ
There are no reviews yet.