Sen tắm nhiệt độ American Standard WF-4949 là giải pháp tối ưu cho trải nghiệm tắm tiện nghi với khả năng tự động ổn định nhiệt độ và điều chỉnh dòng nước linh hoạt. Sản phẩm mang đến sự an tâm khi sử dụng hằng ngày với các tính năng an toàn và tiết kiệm nước vượt trội.
Thông số sen tắm nhiệt độ American Standard WF-4949
- Thiết kế: Hiện đại
- Bộ sưu tập: Temptacion
- Màu sắc: Mạ Crom
- Bề mặt hoàn thiện: Mạ Crom
- Nước cấp: Nóng lạnh
- Lưu lượng nước ở áp lực 0.1 MPa: 13 L/phút (đầu vòi) – 13 L/phút (đầu sen)
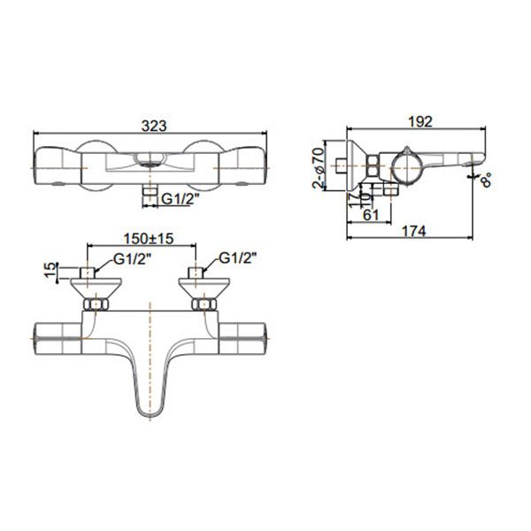
- Kích thước: L174mm
Mô tả chi tiết sen tắm nhiệt độ American Standard WF-4949
- Tính năng DURASHINE mang lại lớp phủ mạ Crom sáng bóng lâu dài, giữ cho sen luôn như mới theo thời gian.
- Thiết kế tích hợp AIRNERGIZE giúp hoà trộn không khí trong dòng nước, tạo nên cảm giác tắm êm dịu và thư giãn vượt trội.
- Công nghệ TWISTFREE chống xoắn hiệu quả cho ống dẫn nước, giúp thao tác khi sử dụng nhẹ nhàng và không bị rối dây.
- Sen tắm nhiệt độ American Standard WF-4949 ứng dụng PUSH & TURN cho phép người dùng điều chỉnh nước bằng thao tác nhấn và xoay tiện lợi.
- Đầu vòi cho lưu lượng nước ổn định, kết hợp với chế độ nước nóng lạnh mang lại trải nghiệm cá nhân hoá theo từng nhu cầu.
- Tính năng SPACECREATE mở rộng khoảng không trong khu vực phòng tắm, hỗ trợ lắp đặt dễ dàng ngay cả với không gian nhỏ.
- Cấu tạo chắc chắn với lõi van chất lượng cao giúp kiểm soát nhiệt độ ổn định, đảm bảo an toàn khi sử dụng cho cả người lớn và trẻ nhỏ.
- Dễ vệ sinh, hạn chế bám cặn, đặc biệt phù hợp với điều kiện nguồn nước tại nhiều khu vực đô thị.
- Kích thước gọn gàng, phù hợp với đa dạng thiết kế nội thất phòng tắm từ cổ điển đến hiện đại.
- Sen tắm nhiệt độ American Standard WF-4949 hỗ trợ tiết kiệm nước nhưng vẫn duy trì áp lực mạnh mẽ, lý tưởng cho sinh hoạt hằng ngày.
Bản vẽ kỹ thuật sen tắm nhiệt độ American Standard WF-4949 chính hãng tại Kim Quốc Tiến

Mua ngay sen tắm nhiệt độ American Standard WF-4949 chính hãng tại Kim Quốc Tiến
Sen tắm nhiệt độ American Standard WF-4949 hiện được phân phối chính thức tại Kim Quốc Tiến với đầy đủ giấy tờ bảo hành, nguồn gốc rõ ràng. Kim Quốc Tiến luôn cam kết mang đến trải nghiệm mua sắm chuyên nghiệp, tư vấn tận tình, cùng chính sách giao hàng và hậu mãi đảm bảo quyền lợi tối đa cho khách hàng.
Danh mục: Thiết Bị Vệ Sinh / Vòi Sen Tắm / Vòi Sen American Standard / Vòi Sen Nóng Lạnh American Standard
Thương hiệu: Thiết Bị Vệ Sinh American Standard
Review Sen tắm nhiệt độ American Standard WF-4949
Chưa có đánh giá nào.