Lavabo INAX treo tường L-285V/L-288VC bao gồm chậu rửa và chân ngắn với thiết kiết nhỏ gọn, phù hợp lắp đặt cho nhiều không gian. Được làm từ chất cao cấp, đảm bảo an toàn cho trong quá trình sử dụng. Sản phẩm trang bị nhiều tính năng hiện đại, mang đến cho người dùng những trải nghiệm tốt nhất.
Thông tin cơ bản của chậu rửa mặt INAX 285
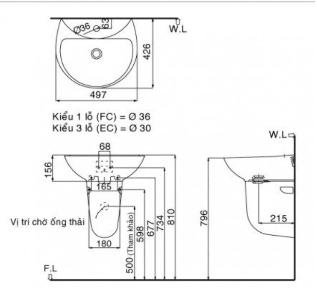
- Kích thước (D x R x C): 497 x 426 x 516 mm
- Màu sắc: Trắng
- Chất liệu: Sứ cao cấp
- L-285VEC : Kiểu 3 lỗ
- L-285VFC : Kiểu 1 lỗ
- Mã sản phẩm:
- -L-285V: lavabo treo tường
- -L-288VC: chân ngắn
- Đóng gói không bao gồm phụ kiện ( vòi, bộ xả…)
Danh mục: Thiết Bị Vệ Sinh | Chậu Rửa Lavabo | Lavabo INAX | Lavabo INAX Treo Tường
Đặc điểm nổi bật của lavabo INAX 285V/L-288VC
- Kiểu dáng thiết kế nhỏ gọn, phù hợp cho mọi không gian nhà tắm và khu vực công cộng.
- Bề mặt tráng men chống bám bẩn, hạn chế bán cặn khoáng hình thành vệt ố gây mất thẩm mỹ.
- Lòng chậu sâu chống bắn nước ra ngoài trong quá trình sử dụng, thành rộng tiện lợi giúp để đồ khi cần.
- Có thể dùng với vòi chậu Inax: LFV-1302S, LFV-2002S, LFV-4000S tạo sự đồng bộ cho không gian phòng tắm của gia đình.
Tham khảo thêm thông tin qua bản vẽ kỹ thuật của lavabo treo tường INAX L285V/L-288VC trước khi tiến hành việc lắp đặt nhé!

Địa chỉ mua hàng chính hãng, giá tốt
Nếu bạn muốn mua inax L285V và nhiều thiết bị vệ sinh INAX khác thì đừng ngần ngại mà hãy liên hệ ngay với siêu thị Kim Quốc Tiến để được tư vấn. Tại đây luôn cam kết bán hàng chính hãng với giá ưu đãi nhất trên thị trường. Ngoài ra,bạn sẽ được nhân viên tư vấn mua sản phẩm như thế nào, sao cho phù hợp với không gian nhà bạn.
Review Chậu Rửa Lavabo INAX L-285V/L-288VC Kèm Chân Ngắn Treo Tường
Chưa có đánh giá nào.