Chậu lavabo Inax L-288VEC treo tường là giải pháp tối ưu cho không gian phòng tắm cần sự gọn gàng và tiện ích. Với cấu tạo ba lỗ dễ dàng kết hợp nhiều dòng vòi, cùng vật liệu sứ bền chắc và thiết kế treo tường linh hoạt, sản phẩm giúp người dùng sử dụng thuận tiện và duy trì độ bền trong thời gian dài.
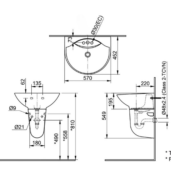
Thông số kỹ thuật Chậu lavabo Inax L-288VEC treo tường
- Mã sản phẩm: L-288VEC (Chậu 3 lỗ)
- Xuất xứ: Việt Nam
- Kiểu chậu: Treo tường
- Kích thước: 563 x 460 x 196 mm
- Màu sắc: Trắng
- Bao gồm: Thân chậu, vít lở và gá treo
- Không bao gồm: Vòi, siphon/bộ xả, chân chậu
- Gợi ý sản phẩm đi kèm: LFV-3002S, LFV-502S
Mô tả chi tiết Chậu lavabo Inax L-288VEC treo tường
- Sứ vệ sinh chất lượng cao, chống bám cặn và chịu được va đập thông thường, duy trì độ sáng bóng cho bề mặt chậu trong suốt quá trình sử dụng.
- Lỗ thoát tràn tích hợp sẵn, giúp kiểm soát lượng nước trong chậu, giảm thiểu tình trạng nước tràn khi người dùng quên tắt vòi.
- Thiết kế ba lỗ gắn vòi độc lập, tương thích với các dòng vòi nóng – lạnh riêng biệt, thích hợp cho công trình gia đình hoặc công cộng.
- Kiểu treo tường kèm gá đỡ vững chắc, tối ưu không gian bên dưới và dễ dàng vệ sinh sàn nhà, đặc biệt phù hợp với nhà nhỏ hoặc khu vực lắp đặt hạn chế diện tích.
Bản vẽ kỹ thuật Chậu lavabo Inax L-288VEC treo tường chính hãng tại Kim Quốc Tiến

Mua ngay Chậu lavabo Inax L-288VEC treo tường chính hãng tại Kim Quốc Tiến
Chậu lavabo Inax L-288VEC treo tường đang được cung cấp chính hãng tại Kim Quốc Tiến với đầy đủ linh kiện và thông tin kỹ thuật rõ ràng. Khi mua tại đây, khách hàng sẽ nhận được sự hỗ trợ chuyên nghiệp từ tư vấn đến vận chuyển và lắp đặt, đảm bảo quá trình sử dụng an tâm, tiện lợi và đúng tiêu chuẩn kỹ thuật của hãng.
Danh mục: Thiết Bị Vệ Sinh / Chậu Rửa Lavabo / Lavabo INAX / Lavabo INAX Treo Tường
Thương hiệu: Thiết Bị Vệ Sinh INAX
Review Chậu lavabo Inax L-288VEC treo tường
Chưa có đánh giá nào.