Vòi lavabo TOTO TLS01304V là một trong những mẫu vòi nước nóng lạnh. Sở hữu thiết kế phù hợp với những dòng chậu rửa mặt đặt bàn và lavabo âm bàn dương vành. Kiểu dáng độc đáo, đường nét sắc xảo, góc cạnh, mang tới vẻ đẹp thẩm mỹ cao, phong cách hiện đại, rất riêng cho nhiều không gian nhà tắm. Ngoài ra, với mức giá thành phải chăng, chắc chắn đây sẽ là sự lựa chọn hoàn hảo dành cho nhiều gia đình. Xem thêm một vài thông tin ở bài viết sau.
Vòi chậu rửa mặt TOTO TLS01304V có điều gì đặc biệt?
- Được hoàn thiện trên dây chuyền công nghệ sản xuất tiên tiến, hàng đầu của Nhật Bản. Đạt tiêu chuẩn kiểm định nghiêm ngặt về chất lượng và an toàn.
- Chất liệu đồng thau nguyên chất, có khả năng chống ăn mòn tốt. Được bao phủ bởi lớp mạ Nickel Chrome giúp sản phẩm luôn sáng bóng, không bị trầy xước, hạn chế va đập mạnh và bám dính tối ưu.
- Thiết kế hiện đại hài hòa với dòng sản phẩm LB Series. Kiểu dáng cổ cao sang trọng, vô cùng đẹp mắt.
- Tay gạt mỏng với đường cong tao nhã, thao tác dễ dàng, thoải mái. Chỉ cần một cử động chạm nhẹ đã có ngay dòng nước tuôn trào êm ái mà không sợ văng ra ngoài.
- Trang bị hai dòng nước nóng/lạnh, người sử dụng thoải mái điều chỉnh tay gạt để chuyển sang chế độ nước mà mình cần mong muốn.
- Tích hợp trụ xả gạt ti vô cùng tiện lợi.
- Van đĩa bằng sứ chống bám bẩn và cặn, giúp vận hành trơn tru, khóa nước hoàn toàn.
- Trang bị công nghệ tiết kiệm nước, giảm chi phí sinh hoạt tối ưu, giúp người dùng cải thiện được cuộc sống.
- Dễ dàng tháo lắp, di chuyển để sữa chữa khi có hỏng hóc.
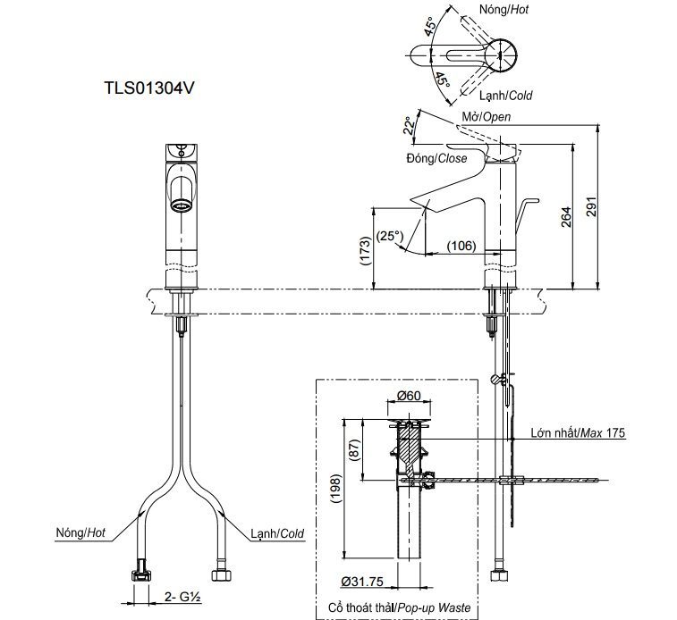
Bản vẽ kỹ thuật của sản phẩm
Xem thêm bản vẽ kỹ thuật của vòi rửa tay TOTO TLS01304V sau đây để thuận tiện hơn trong việc lắp đặt tại nhà nhé!

Kim Quốc Tiến tự hào là địa chỉ mua hàng hàng đầu dành cho mọi gia đình. Chúng tôi luôn đem đến cho quý khách những sản phẩm ưu việt nhất. Cam kết chính hãng 100% và nguồn gốc xuất xứ rõ ràng. Hoàn trả tiền nếu có bất kỳ phát hiện hàng giả, hàng đạo nhái nào. Liên hệ ngay nhé!
Tham khảo các sản phẩm khác tại Kim Quốc Tiến: Vòi lavabo TOTO, Vòi Lavabo
Trọn bọ thiết bị vệ sinh toto tại: https://kimquoctien2.puramu.dev/thiet-bi-ve-sinh-toto
nguyễn vân nam
Sản phẩm giao nhanh Sử dụng tốt Mình rửa bát trực tiếp nên thấy được tiết kiệm nước :)) Tặng shop 5 sao Giao hàng siêu nhanh 2 hôm đã nhận đc hàng
Kim Quốc Tiến Quản trị viên
Cảm ơn bạn đã tin tưởng và lựa chọn mua hàng tại Kim Quốc Tiến
tiến hải
Shop giao hàng nhanh chóng và tiện lợi. Hàng đúng như mô tả của shop
Kim Quốc Tiến Quản trị viên
Cảm ơn bạn đã tin tưởng và lựa chọn mua hàng tại Kim Quốc Tiến
trần trọng quan
Hàng giống hình ,shop giao hàng nhanh , sẽ ủng hộ shop tiếp ạ……
Kim Quốc Tiến Quản trị viên
Cảm ơn bạn đã tin tưởng và lựa chọn mua hàng tại Kim Quốc Tiến