Vòi Chậu Lavabo Inax LFV-5012S Nóng Lạnh là mẫu vòi chậu cao cấp. Được sản xuất bởi thiết bị vệ sinh INAX một thương hiệu nổi tiếng và lâu đời tại Nhật Bản. Đi kèm chung với chậu nóng lạnh này còn có trụ xả nhấn được làm bằng đồng mạ crom . Chính nhờ thiết kế đẹp mắt, tinh tế này giúp cho sản phẩm này lấy được nhiều thiện cảm với khách hàng. Để xem thêm thông tin các bạn có thể xem thêm bên dưới..
Tính năng đặc biệt và thông tin Vòi Chậu Lavabo Inax LFV-5012S
- Vòi lavabo INAX LFV-5012S nóng lạnh dùng cho chậu 1 lỗ (FC) đến từ thương hiệu thiết bị vệ sinh INAX
- Áp lực nước : 0.05 MPa ~ 0.75 MPa
- Van ceramic
- Lớp mạ Cr/Ni chất lượng cao
- Kết cấu bên trong vững vàng
- Van điều khiển bằng sứ có độ bền cao
- Sản phẩm bao gồm trụ xả ty, không bao gồm ống thải chữ P
- Chứng nhận chất lượng:Tiêu chuẩn quốc tế về quản lý chất lượng ISO-9001 & Tiêu chuẩn quốc tế về quản lý môi trường ISO-14001.
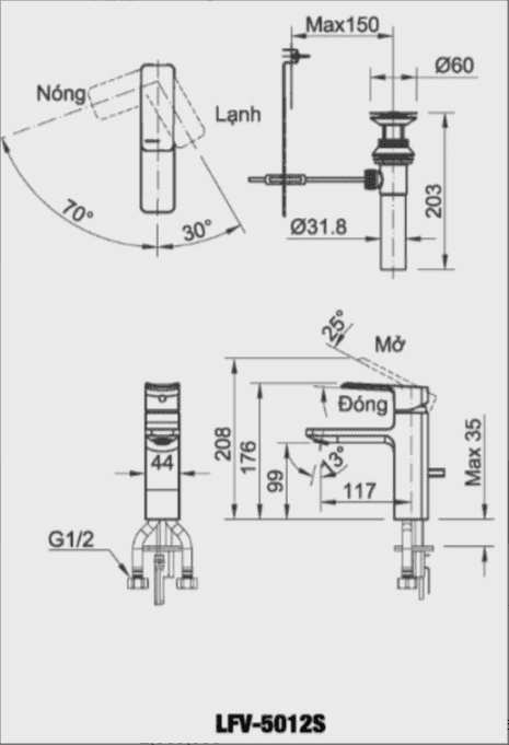
Bản vẽ kỹ thuật vòi lavabo INAX LFV-5012S

Đặt mua vòi Chậu Lavabo Inax LFV-5012S chính hãng ở đâu?
Hiện nay thiết bị vệ sinh INAX là môt thương hiệu được rất nhiều khách hàng tại Viêt Nam tin tưởng vầ chọn mua. Chính vì vậy cũng sẽ không tránh khỏi tường hợp Gặp phải hàng nhái hàng giả, kém chất lượng. Vì thế khi mua hàng các bạn nên chọn mua tại những cửa hàng uy tín. Siêu thị thiết bị vệ sinh Kim Quốc Tiến chuyên phấn phối hàng chính hãng. Cũng nhiều chương trình khuyến mãi giảm giá cho khách hàng.
Để được các bạn nhân viên tư vấn và hỗ trợ quí khách hàng có thể gọi đến 091 9999 516 Mr Thịnh – 098 6666 516 Ms Vân
Danh mục: Thiết Bị Vệ Sinh | Vòi Lavabo | Vòi Lavabo INAX | Vòi Lavabo Nóng Lạnh Inax
Thương hiệu: Thiết bị vệ sinh INAX
Review Vòi Lavabo INAX LFV-5012S Nóng Lạnh
There are no reviews yet.