Vòi lavabo Inax LFV-4102S được làm bằng đồng mạ crom nguyên chất. Nó mang đến vẻ đẹp sáng bóng cũng như độ bền chắc cho sản phẩm. Một ưu điểm lớn ở đây nữa đó là giá thành sản phâm khá bình dân nhưng chất lượng lại chuẩn Nhật. Để có thể biết thêm thông tin về thiết bị phòng tắm này, bạn hãy cùng chúng tôi tìm hiểu bài viết sau nhé!
Thông số kỹ thuật của LFV-4102S
- Phân loại: Vòi chậu INAX nóng lạnh
- Chất liệu đúc: Đồng
- Bề mặt mạ: Crom – niken
- Áp lực nước : 0.05 MPa ~ 0.75 MPa
- Công nghệ sản xuất: Nhật Bản
- Phù hợp lắp đặt cho chậu rửa 1 lỗ (FC)
- Đóng gói sản phẩm: Bao gồm trụ xả ty, không có ống thải chữ P.
Danh mục: Thiết Bị Vệ Sinh | Vòi Lavabo | Vòi Lavabo INAX | Vòi Lavabo Nóng Lạnh Inax
Đặc điểm nổi trội của vòi lavabo nóng lạnh Inax LFV4102S
- Tay gạt thiết kế dạng gật gù tiện lợi khi sử dụng, kiểu dáng nhỏ gọn đường nét tinh tế.
- Vòi rửa lavabo Inax này được đúc nguyên khối từ đồng thau không chứa kim loại nặng gây hại cho sức khỏe người dùng.
- Lõi có hai đĩa sứ điều nhiệt họat động trơn chu, linh phụ kiện độ bền cao.
- Lớp mạ crom – niken cao cấp không bị bong tróc, chống gỉ set, giữ cho vòi luôn sáng đẹp với thời gian.
- Các bạn có thể kết hợp mẫu vòi này với lavabo đặt bàn INAX như AL-292V, L-2293V, L-282VFC tạo nên sự đồng bộ cho không gian nhà tắm.
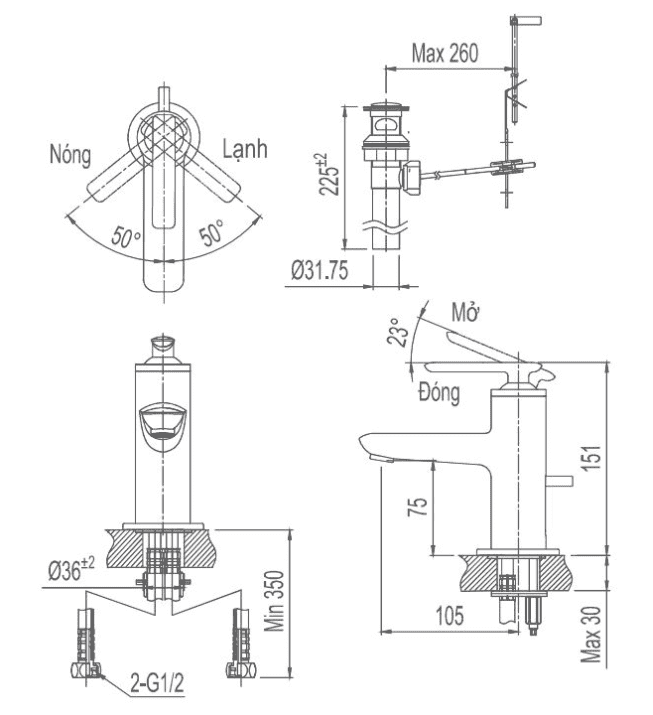
Bản vẽ kỹ thuật lắp đặt vòi lavabo Inax LFV-4102S
Dưới đây là bản vẽ kĩ thuật của sản phẩm. Quí khách hàng có thể sử dụng để biết thêm thông tin cũng như giúp cho việc sử dụng dễ dàng hơn.

Nếu bạn muốn tìm hiểu và mua thêm nhiều thiết bị nhà vệ sinh INAX chính hãng 100% với giá tốt? Vậy thì đừng ngần ngại hãy nhanh chóng liên hệ ngay với công ty Kim Quốc qua hotline 1900 571 590 hoặc địa chỉ sau để được hỗ trợ nhé.
Review Vòi Lavabo INAX LFV-4102S Nóng Lạnh
Chưa có đánh giá nào.