Vòi chậu Inax LFV-2012SH là mẫu thiết bị vệ sinh INAX thiết kế dành riêng cho các bồn rửa đặt bàn với kiểu dáng cao thanh mảnh hiện đại. Mang đến một không gian hòa trộn với thiên nhiên vào nhà vệ sinh nhà bạn. Kiểu dáng cùng thông tin kĩ thuật của vò chậu này như thế nào? Mời các bạn cung đọc và tham khảo thêm thông tin bên dưới nhé!
Thông tin cơ bản của vòi chậu INAX LFV-2012SH
- Phân loại: Vòi rửa nóng lạnh Inax
- Kiểu dáng: Cổ cao
- Chất liệu đúc: Đồng
- Bề mặt hoàn thiện: Mạ crom
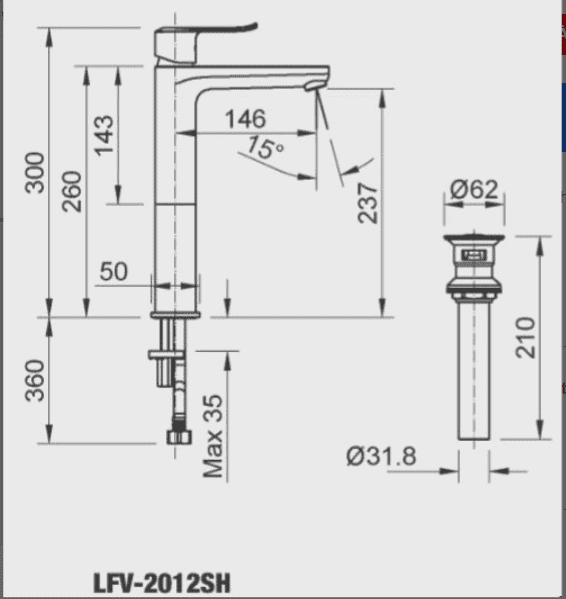
- Chiều cao vòi: 30cm
- Số đường nước: 02
- Áp lực nước : 0.05 MPa ~ 0.75 MPa
- Công nghệ sản xuất: Nhật Bản
Danh mục: Thiết Bị Vệ Sinh | Vòi Lavabo | Vòi Lavabo INAX | Vòi Lavabo Nóng Lạnh Inax
Đặc điểm nổi bật của vòi lavabo nóng lạnh INAX LFV2012SH
- Thiết kế hiện đại, dễ sử dụng, thích hợp lắp đặt dùng cho các mẫu chậu rửa đặt bàn.
- Tay gạt có điểm dừng hai mức độ điều chỉnh lưu lượng nước (50% & 100%) giúp tiết kiệm nước dễ dàng hơn.
- Lớp mạ Cr/Ni chất lượng cao, giữ bề mặt sen vòi luôn sáng bóng lâu dài.
- Van điều khiển bằng sứ có độ bền cao
- Trang bị 2 chế độ nước nóng – lạnh vô cùng thuận tiện khi dùng.
- Lực xả của vòi mạnh nhưng êm ái tạo cảm giác thoải mái và dễ chịu.
- Kết cấu chắc chắn, chất lượng đảm bảo, van điều khiển có độ bền cao.
- Sản phẩm bao gồm trụ xả nhẫn bằng đồng mạ crom, không bao gồm ống thải chữ P.
Tham khảo thêm bản vẽ kỹ thuật vòi LFV-2012SH trước khi lắp đặt với các mẫu chậu rửa đặt bàn Inax tại nhà nhé.

Chính sách bảo hành tại hệ thống siêu thị Kim Quốc Tiến
- Quý khách xin lưu ý tất cả các sản phẩm được phân phối bởi Kim Quốc Tiến đều sẽ được bảo hành chính hãng 100%.
- Thời gian bảo hành:
- Tùy thuộc vào từng nhóm hàng và hãng khác nhau. Như đối với thương hiệu Inax: phần sứ 10 năm, vòi chậu và phụ kiện 2 năm, nắp bồn cầu 1 năm.
- Điều kiện bảo hành:
- Sản phẩm còn trong hạn
- Phiếu bảo hành đầy đủ thông tin
- Hư hỏng do chất lượng linh kiện hay lỗi quy trình sản xuất.
- Sản phẩm không nằm trong trường hợp bị từ chối bảo hành.
Bạn có thể liên hệ với số hotline của Kim Quốc Tiến qua 1900 571 590 để được hỗ trợ thêm thông tin bảo hành. Hoặc đến trực tiếp cửa hàng của chúng tôi theo địa chỉ sau nhé:
- Miền nam:
Số 2, Lương Định Của, Phường An Khánh, thành phố Thủ Đức
DP23, Dragon Parc 1, xã Phước Kiển, huyện Nhà Bè, Hồ Chí Minh
- Miền bắc:
Số 95 Phạm Văn Đồng, Mai Dịch, Cầu Giấy, Hà Nội
- Miền trung:
Số 395 Nguyễn Công Trứ, Nguyễn Du, Thành phố Hà Tĩnh
Review Vòi Lavabo INAX LFV-2012SH Nóng Lạnh Thân Cao
Chưa có đánh giá nào.