Van điều chỉnh vòi sen âm tường American Standard WF-1721WS nổi bật với khả năng vận hành mượt mà, giúp điều hướng dòng nước chính xác, ổn định. Nhờ ứng dụng lõi sen sứ Ceramic bền bỉ và lớp mạ PVD cao cấp, sản phẩm không chỉ nâng cao hiệu suất sử dụng mà còn kéo dài tuổi thọ trong môi trường ẩm ướt.
Thông số kỹ thuật Van điều chỉnh vòi sen âm tường American Standard WF-1721WS
- Mã sản phẩm: WF-1721WS
- Bộ sưu tập: Signature
- Loại sản phẩm: Van gật gù kèm nút chuyển hướng nước vòi sen âm tường
- Chất liệu: Đồng mạ PVD
- Màu sắc: Vàng hồng (WS)
Mô tả chi tiết Van điều chỉnh vòi sen âm tường American Standard WF-1721WS
- Lợp mạ PVD có khả năng chống oxy hóa và trầy xước giúp bề mặt vòi sáng bóng bền lâu, hạn chế bám bẩn, dễ lau chùi.
- Van điều chỉnh vòi sen âm tường American Standard WF-1721WS được tích hợp lõi sứ cao cấp giúp đóng mở nhẹ nhàng, kiểm soát dòng chảy hiệu quả, giảm lãng phí nước.
- Cấu trúc van gật gù chắc chắn giúp vòi sen WF-1721WS hạn chế rung lắc, không gây tiếng ồn trong quá trình sử dụng.
- Sản phẩm được làm bằng đồng không chì (low-lead), giảm thiểu tác nhân gây hại trong nước sinh hoạt.
- Thiết kế âm tường giúp Van điều chỉnh vòi sen American Standard WF-1721WS có thể tiết kiệm không gian, tạo sự gọn gàng và dễ kết hợp với nhiều mẫu vòi sen khác nhau.
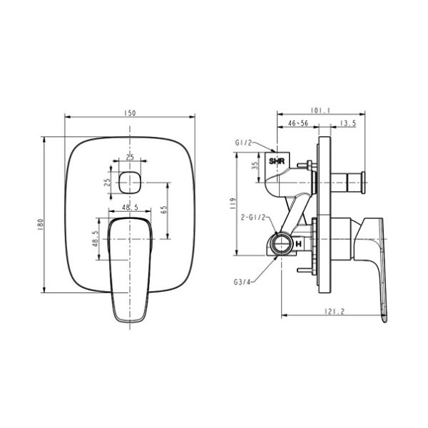
Bản vẽ kỹ thuật Van điều chỉnh vòi sen âm tường American Standard WF-1721WS chính hãng tại Kim Quốc Tiến

Mua ngay Van điều chỉnh vòi sen âm tường American Standard WF-1721WS chính hãng tại Kim Quốc Tiến
Sản phẩm Van điều chỉnh vòi sen âm tường American Standard WF-1721WS đang được phân phối chính hãng tại Kim Quốc Tiến – đơn vị uy tín trong ngành thiết bị vệ sinh. Khi mua hàng tại đây, khách hàng sẽ nhận được chế độ bảo hành minh bạch, dịch vụ tư vấn tận tình và cam kết sản phẩm chính hãng với mức giá cạnh tranh.
Danh mục: Thiết Bị Vệ Sinh / Vòi Sen Tắm Âm Tường / Sen Tắm Âm Tường American Standard
Thương hiệu: Thiết Bị Vệ Sinh American Standard
Review Van điều chỉnh vòi sen âm tường American Standard WF-1721WS
There are no reviews yet.