Van Điều Chỉnh Nhiệt Độ TOTO TBV02402B/TBN01001B là một phần của hệ thống sen tắm, với những tính năng và thiết kế thông minh nhằm đáp ứng nhu cầu của người dùng.
Thông số cơ bản của Van Điều Chỉnh Nhiệt Độ TOTO TBV02402B/TBN01001B
- Thiết kế: Sang trọng, hiện đại
- Van điều chỉnh nhiệt độ dùng cho loại nút nhấn, kèm phụ kiện âm tường
- Áp lực nước : 0.05MPa ~ 0.75MPa
- Lớp mạ : Nickel Chrome
- Đường nước ra: 1
Ưu điểm của Van Điều Chỉnh Nhiệt Độ TOTO TBV02402B/TBN01001B
- Van Điều Chỉnh Nhiệt Độ TOTO TBV02402B/TBN01001B có thiết kế hiện đại và tinh tế, phù hợp với mọi phong cách nội thất.
- Với khả năng âm tường, sản phẩm giúp tạo ra không gian phòng tắm gọn gàng và thanh lịch.
- Thân sen được làm bằng đồng nguyên chất mạ crom niken, giúp sản phẩm bền bỉ với thời gian.
- Lớp mạ Crom/Niken dày gấp ba lần giúp hạn chế ăn mòn, hạn chế bám bẩn, dễ dàng vệ sinh
Tính năng của Van Điều Chỉnh Nhiệt Độ TOTO TBV02402B/TBN01001B
Van Điều Chỉnh Nhiệt Độ TOTO TBV02402B/TBN01001B có thiết kế hiện đại, hài hòa giúp tăng thẩm mỹ cho không gian sử dụng.
Sản phẩm được làm bằng chất liệu đồng cao cấp, có khả năng chịu nhiệt tốt, cung cấp nguồn nước sạch sẽ, trong lành và an toàn cho sức khỏe người sử dụng.
Tay vặn vận hành êm ái, bền bỉ và dễ dàng điều chỉnh lưu lượng và nhiệt độ nước. Van đĩa bằng sứ chống bám cặn bẩn giúp khóa nước hoàn toàn, đảm bảo không có nước tràn ra ngoài và giúp cho việc vệ sinh và bảo trì sản phẩm dễ dàng hơn.
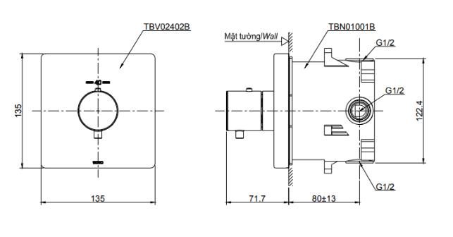
Bản vẽ Van Điều Chỉnh Nhiệt Độ TOTO TBV02402B/TBN01001B
Van Điều Chỉnh Nhiệt Độ TOTO TBV02402B/TBN01001B là một sản phẩm chất lượng cao, được thiết kế thông minh và bền vững với thời gian, mang lại sự tiện nghi và an toàn cho người dùng trong quá trình sử dụng.
Liên hệ ngay cho Kim Quốc Tiến, bạn sẽ được trải nghiệm những dịch vụ và sản phẩm chất lượng nhất. Chúng tôi chuyên cung cấp các thiết bị vệ sinh TOTO chính hãng đảm bảo với giá cả phù hợp cùng nhiều ưu đãi cực kỳ hấp dẫn.
Review Van Điều Chỉnh Nhiệt Độ TOTO TBV02402B/TBN01001B
There are no reviews yet.