Tủ lavabo Caesar EH05388AV là giải pháp đồng bộ giữa tính năng và thẩm mỹ dành cho phòng tắm hiện đại. Sản phẩm bao gồm chậu lavabo LF5388 và tủ đi kèm, phù hợp cho những không gian yêu cầu sự gọn gàng, tối ưu diện tích sử dụng.
Thông số kỹ thuật tủ lavabo Caesar EH05388AV
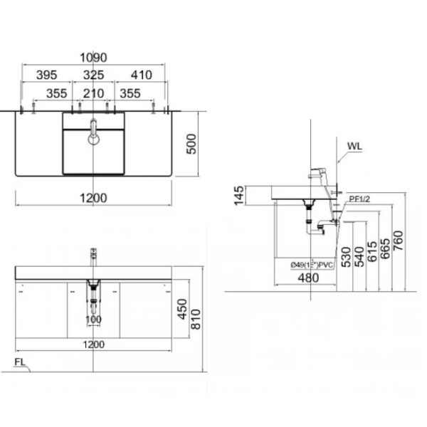
- Chậu lavabo: LF5388
- Tủ lavabo: EH05388AV
- Kích thước lavabo: 500 x 1200 x 100 mm (dài x rộng x cao)
- Kích thước tủ: 480 x 1190 x 450 mm (dài x rộng x cao)
- Tay cầm: Có tay cầm đóng mở tiện lợi
- Bộ sản phẩm: Bao gồm chậu lavabo và tủ đi kèm
- Vật tư kèm theo: Không bao gồm vòi, bộ xả
- Vòi tham khảo: B370C (xem trong hình)
- Mã thay thế trước đây: EH0120V, EH05388A
- Xuất xứ công nghệ: Đài Loan
- Hãng sản xuất: CAESAR
Mô tả chi tiết tủ lavabo Caesar EH05388AV
-
- Thiết kế liền khối giữa chậu và tủ: Giúp lắp đặt nhanh chóng, hạn chế rò rỉ nước trong quá trình sử dụng.
- Không gian lưu trữ tối ưu: Tủ rộng rãi bên dưới có thể chứa khăn tắm, mỹ phẩm và các vật dụng vệ sinh cá nhân, giữ cho không gian luôn ngăn nắp.
- Tay nắm tiện dụng: Tay cầm được bố trí hợp lý giúp việc đóng/mở nhẹ nhàng, không bị kẹt tay hay gây tiếng động lớn.
- Chất liệu cao cấp, độ bền cao: Vật liệu chịu nước tốt, chống ẩm mốc, giúp sản phẩm duy trì độ mới theo thời gian.
- Dễ vệ sinh: Bề mặt chậu và tủ trơn nhẵn, giúp việc lau chùi nhanh chóng và sạch sẽ hơn sau mỗi lần sử dụng.
Bản vẽ kỹ thuật tủ lavabo Caesar EH05388AV chính hãng tại Kim Quốc Tiến

Mua ngay tủ lavabo Caesar EH05388AV chính hãng tại Kim Quốc Tiến
Bạn có thể đặt mua tủ lavabo Caesar EH05388AV chính hãng trực tiếp tại showroom hoặc trên website của Kim Quốc Tiến. Hệ thống hỗ trợ mua hàng nhanh chóng, tư vấn tận tâm và nhiều ưu đãi kèm theo chính sách hậu mãi hấp dẫn.
Danh mục: Thiết Bị Vệ Sinh / Chậu Rửa Lavabo / Lavabo CAESAR / Tủ Lavabo Caesar Liền Bàn
Thương hiệu: Thiết Bị Vệ Sinh CAESAR
Review Tủ lavabo Caesar EH05388AV
Chưa có đánh giá nào.