Sen tắm nhiệt độ TBW01010A TBV03431V là một trong những sản phẩm cao cấp của thương hiệu thiết bị vệ sinh TOTO. Sản phẩm được thết kế tinh tế hiện đại phù hợp lắp đặt ở mọi công trình khác nhau. Bên cạnh đó sản phẩm được tạo nên bởi chất liệu cao cấp. Vì vậy rất bền bỉ với thời gian, luôn sáng bóng. Và sau đây hãy cùng với Kim Quốc Tiến chúng tôi tìm hiểu về sản phẩm này nhé!
Đặc điểm nổi bật của sen tắm nhiệt độ TOTO TBW01010A/TBV03431V
- Sản phẩm được áp dụng công nghệ ổn định nhiệt Safety Thermo sử dụng lõi lò xo SMA.
- Tay gạt đóng mở thiết kế hình vòng, làm bằng chất liệu kim loại cao cấp dễ sử dụng.
- Sen tắm này còn có công nghệ mát-xa 3 chế độ: Warm Spa, Active Wave, Comfort Wave.
- TBV03431V – TBW01010A có thiết kế hiện đại sang trọng. Thích hợp lắp đặt cho mọi không gian nhà vệ sinh.
- Dễ dàng và tiện dụng khi sử dụng. Sản phẩm được tối ưu hóa cách sử dụng nên rất thuận tiện cho người dùng.
- Lớp mạ bền vững với thời gian giúp cho sản phẩm giữ mãi độ sáng bóng và đẹp sản phẩm.
Thông số kỹ thuật của sen tắm nhiệt độ TBW01010A/TBV03431V
- Mã sản phẩm: TBV03431V – TBW01010A
- Tên gọi: sen tắm nhiệt độ
- Thương hiệu: TOTO
- Màu sắc: Trắng
- Áp lực khuyến nghị: Đồng mạ Ni-Cr.
- Loại: Nhiệt độ, gắn tường.
- Chế độ nước: Nóng lạnh
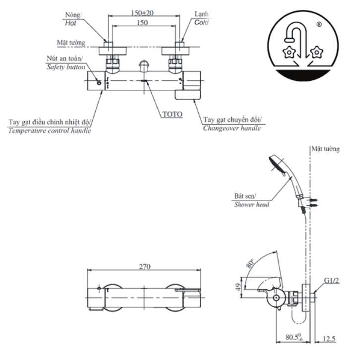
Bản vẽ kỹ thuật của sen tắm nhiệt độ TOTO TBW01010A/TBV03431V

Tham khảo các sản phẩm khác tại Kim Quốc Tiến: Sen cây nhiệt độ TOTO, Sen cây TOTO, Vòi sen cây
Trọn bọ thiết bị vệ sinh toto tại: https://kimquoctien2.puramu.dev/thiet-bi-ve-sinh-toto
Dinh Thanh Tinh
tư vấn khách hàng tốt, miễn ship, ở bạc liêu mà nhận hàng k tốn phí, nên mua nha
Kim Quốc Tiến Quản trị viên
Cảm ơn bạn đã tin tưởng và lựa chọn mua hàng tại Kim Quốc Tiến
mai thanh nga
Mặc dù đợi hàng về lâu mà thấy rất đáng, sản phẩm giá ko đắt, chất lượng d
Kim Quốc Tiến Quản trị viên
Cảm ơn bạn đã tin tưởng và lựa chọn mua hàng tại Kim Quốc Tiến