Vòi sen tắm nhiệt độ nhật TOTO TBV03429V/TBW01008A sở hữu thiết kế mang đậm phong cách Nhật Bản. Kiểu dáng gọn gàng tiết kiệm tối đa diện tích, đem đến sự sang trọng, đẳng cấp và tiện nghi. Trang bị công nghệ van nhiệt giúp duy trì nhiệt độ ổn định, cho người dùng thoải mái thư giãn sau một ngày làm việc mệt mỏi và căng thẳng.
Thông tin cơ bản của vòi sen tắm nhiệt độ nhật TOTO TBV03429V/TBW01008A
- Mã sản phẩm: TBV03429V/TBW01008A
- TBV03429V – Xuất xứ: Nhật Bản
- TBW01008A – Xuất xứ: Trung Quốc
- Hãng sản xuất: TOTO
- Chất liệu: Đồng thau
- Lớp mạ: Nickel Chrome
- Áp lực nước: 0.05MPa ~ 0.75MPa
- Chế độ nước: Nóng/Lạnh
Lưu ý: Bao gồm gác sen, không bao gồm cút nối tường
Đặc điểm của sen tắm nhiệt độ TOTO TBV03429V/TBW01008A
- Sản phẩm được thiết kế kiểu mới hiện đại, vô cùng sang trọng.
- Được làm từ chất liệu đồng thau mạ Nickel Chrome có tính năng tạo độ sáng bóng, chống gỉ sét, chống oxi hóa tốt.
- Tay gạt đóng mở thiết kế hình cung, làm bằng kim loại cao cấp dễ sử dụng.
- Bát sen Aerial Shower tạo bọt khí, tiết kiệm nước, dễ dàng vệ sinh.
- Sử dụng công nghệ van nhiệt SMA giúp duy trì và giữ nhiệt độ ổn định nhất. Cùng lớp màng kim loại cách nhiệt bọc ngoài chống bỏng, giúp tiết kiệm nước và an toàn tuyệt đối cho cả trẻ em lẫn người lớn tuổi khi tự sử dụng.
- Van đĩa làm bằng sứ chống bám cặn bẩn và khóa nước hoàn toàn.
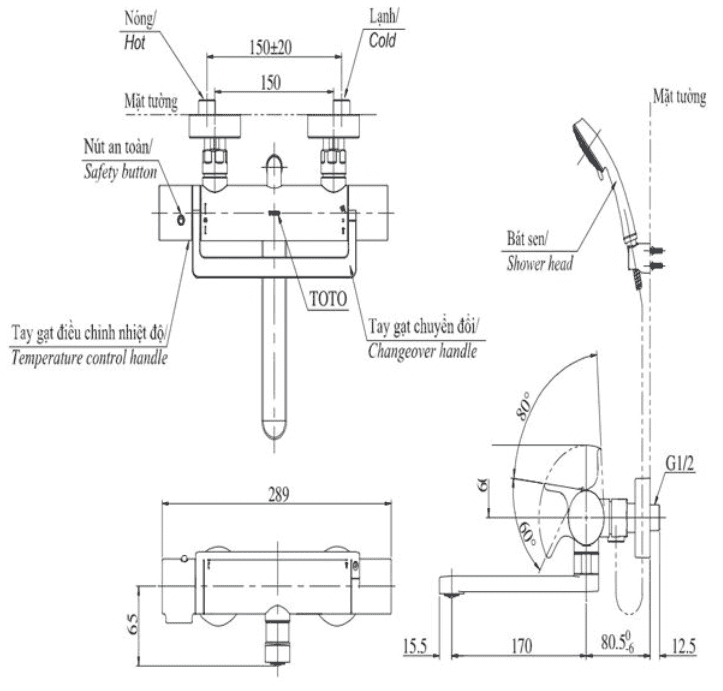
Bản vẽ kỹ thuật của sen tắm xả bồn TBV03429V/TBW01008A
Để tiện hơn trong việc lắp đặt tại nhà, xem ngay bản vẽ kỹ thuật ngay sau đây nhé!

Tham khảo các sản phẩm khác tại Kim Quốc Tiến: Sen cây nhiệt độ TOTO, Sen cây TOTO, Vòi sen cây
Trọn bọ thiết bị vệ sinh toto tại: https://kimquoctien2.puramu.dev/thiet-bi-ve-sinh-toto
Quang Văn
Cảm nhận đầu tiên là nhìn xịn sò , còn xài bền hay ko để tgian trả lời , cho 5sao ủng hộ trước , giao hàng nhanh hết hồn luôn
Kim Quốc Tiến Quản trị viên
Cảm ơn bạn đã tin tưởng và lựa chọn mua hàng tại Kim Quốc Tiến
Ngọc Ánh
Hàng chất lượng đã mua nhìu lần lần nào cũng ưng ý sản phẩm ok đẹp chất lượng xịn xò cho shop 5 sao,
Kim Quốc Tiến Quản trị viên
Cảm ơn bạn đã tin tưởng và lựa chọn mua hàng tại Kim Quốc Tiến