Ổng Thải Xả Nước Co Chữ P TVLF401 là một phụ kiện vòi lavabo quan trọng trong lắp đặt hệ thống ống thoát nước bồn rửa nhà tắm.

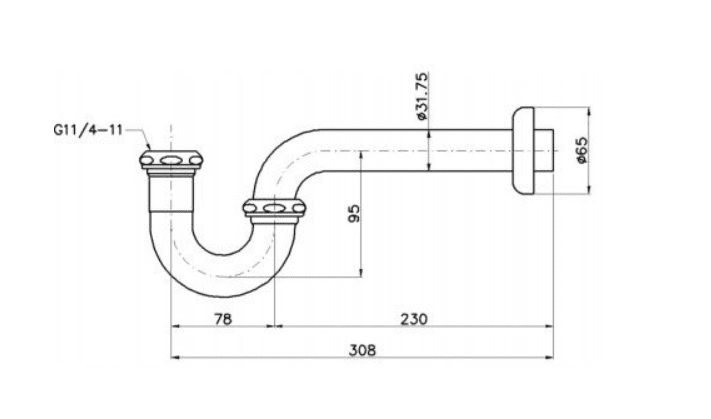
Thông số cơ bản của Ổng Thải Xả Nước Co Chữ P TVLF401
- Ổng Thải Xả Nước Co Chữ P TVLF401 là phụ kiện vòi lavabo chất lượng đến từ thương hiệu thiết bị vệ sinh TOTO Nhật Bản
- Được sử dụng để dẫn nước thải cho bộ chặn nước chậu rửa mặt
- Chất liệu: Đồng mạ Niken Crom
- Kích thước: 308 mm
- Loại : Chữ P
- Lưu ý: TVLF401 thay thế mã cũ THX1A-5NV1
Ưu điểm nổi bật của Ổng Thải Xả Nước Co Chữ P TVLF401
- Ổng Thải Xả Nước Co Chữ P TVLF401 với thiết kế đơn giản, dễ lắp đặt và sử dụng.
- Được sản xuất từ chất liệu cao cấp sử dụng bền bỉ, kết hợp lớp mạ Niken Crom bền đẹp theo thời gian.
- Kiểu dáng thiết kế tinh tế không làm mất đi tính thẩm mỹ của nhà tắm.
- Dành cho sản phẩm chậu rửa có tâm cách tường nhỏ hơn 308mm.
Tính năng của Ổng Thải Xả Nước Co Chữ P TVLF401
Ổng Thải Xả Nước Co Chữ P TVLF401 được thiết kế đặc biệt với đường cong chữ P giúp thoát thải một cách nhanh chóng và mạnh mẽ hơn, đồng thời giảm thiểu tình trạng tắc nghẽn ống thoát nước.
Phụ kiện ống thải chữ P TOTO TVLF401 được thiết kế đơn giản, nhưng chất lượng cao. Sản phẩm được thiết kế để đảm bảo sự chắc chắn, độ bền và hiệu suất cao trong việc xả nước và ngăn ngừa rò rỉ. Đây chính là một phụ kiện không thể thiếu khi lắp đặt vòi lavabo TOTO.
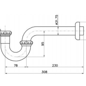
Bản vẽ Bộ Thoát và Ống Xả Nước TOTO TVLF405

Bộ Thoát và Ống Xả Nước Chữ P TOTO TVLF405 được đánh giá cao về chất lượng sản phẩm, kiểu dáng và tính năng, đảm bảo đáp ứng được nhu cầu sử dụng của khách hàng.
Sản phẩm hiện đang có mức giá ưu đãi cùng nhiều chương trình khuyến mãi hấp dẫn tại Kim Quốc Tiến. Ngoài ra, Kim Quốc Tiến cũng cung cấp các sản phẩm thiết bị vệ sinh TOTO khác như bồn cầu, chậu rửa, vòi sen,.. với đầy đủ các mẫu mã và kiểu dáng phù hợp với nhiều phong cách thiết kế nội thất khác nhau. Chúng tôi cam kết đem đến cho khách hàng những sản phẩm chất lượng, giá cả cạnh tranh và dịch vụ hậu mãi tốt nhất
Liên hệ ngay với Kim Quốc Tiến để được tư vấn và mua sắm các loại thiết bị vệ sinh TOTO chính hãng, đảm bảo chất lượng và giá cả hợp lý.
Review Ổng Thải Xả Nước Co Chữ P TVLF401
There are no reviews yet.