Lavabo Caesar dương bàn LF5301 là dòng chậu bán âm tối ưu cho không gian cần sự gọn gàng và dễ vệ sinh. Sản phẩm kết hợp tính năng thoát tràn an toàn, lớp men NANO chống bám và kết cấu sứ bền bỉ, đáp ứng tốt các tiêu chuẩn lắp đặt cho công trình hiện đại.
Thông số kỹ thuật Lavabo Caesar dương bàn LF5301
- Mã sản phẩm: LF5301
- Thương hiệu: Thiết bị vệ sinh Caesar
- Kiểu chậu: Chậu lavabo đặt bán âm bàn
- Kích thước (dài x rộng x cao): 513 x 455 x 194 mm
- Chất liệu: Sứ vệ sinh tráng men NANO
- Màu sắc: Trắng sứ
- Bao gồm: Thân chậu
- Không bao gồm: Vòi, giá đỡ, siphon/bộ xả, bàn đá, tủ chậu
Mô tả chi tiết Lavabo Caesar dương bàn LF5301
- Tận dụng tối đa không gian mặt bàn: Thiết kế bán âm giúp phần lớn thân chậu nằm dưới mặt bàn, tiết kiệm diện tích và tạo cảm giác gọn gàng cho khu vực lắp đặt.
- Chống tràn hiệu quả trong quá trình sử dụng: Lỗ xả tràn tích hợp hoạt động như một cơ chế bảo vệ, hạn chế rủi ro nước bị dâng tràn và ảnh hưởng đến nội thất xung quanh.
- Chịu nhiệt và chịu lực tốt: Nhờ áp dụng công nghệ FINE FIRECLAY, chậu có khả năng chống nứt vỡ khi thay đổi nhiệt độ đột ngột, phù hợp với điều kiện khí hậu tại Việt Nam.
- Lớp phủ NANO – Giữ chậu sạch lâu hơn: Bề mặt tráng men siêu mịn giúp giảm thiểu mảng bám, chống thấm nước và hỗ trợ quá trình vệ sinh thường xuyên trở nên đơn giản hơn.
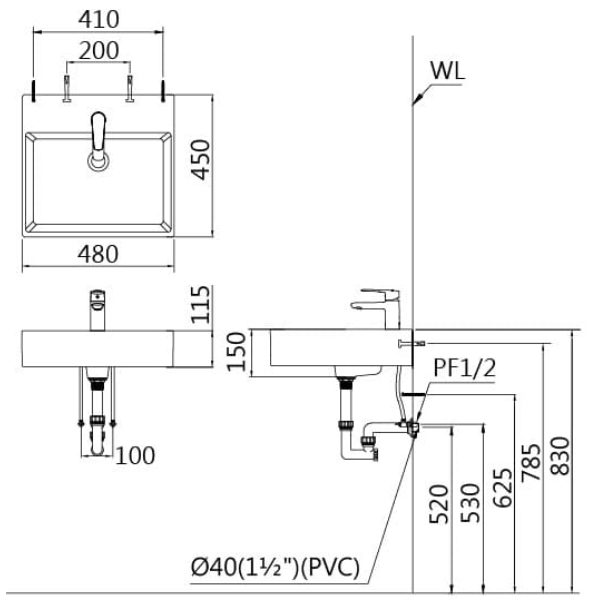
Bản vẽ kỹ thuật Lavabo Caesar dương bàn LF5301 chính hãng tại Kim Quốc Tiến

Mua ngay Lavabo Caesar dương bàn LF5301 chính hãng tại Kim Quốc Tiến
Lavabo Caesar LF5301 được cung cấp chính hãng bởi Kim Quốc Tiến – nơi khách hàng hoàn toàn yên tâm về nguồn gốc sản phẩm, chính sách bảo hành minh bạch và hỗ trợ kỹ thuật rõ ràng. Với hệ thống tư vấn chuyên sâu, giao hàng nhanh chóng và dịch vụ đồng hành hậu mãi, Kim Quốc Tiến mang đến trải nghiệm mua sắm thiết bị vệ sinh dễ dàng, minh bạch và phù hợp với mọi loại hình công trình.
Danh mục: Thiết Bị Vệ Sinh / Chậu Rửa Lavabo / Lavabo CAESAR / Lavabo Caesar Đặt Bàn
Thương hiệu: Thiết Bị Vệ Sinh CAESAR
Review Lavabo Caesar dương bàn LF5301
Chưa có đánh giá nào.