Kích thước là một trong những tiêu chí quan trọng bậc nhất trong việc lựa chọn sản phẩm chậu rửa mặt phù hợp với không gian thiết kế và nhu cầu sử dụng. Cụ thể, chọn kích thước chậu rửa mặt bao nhiêu là hợp lý? Cùng Kim Quốc Tiến khám phá kích thước của chậu rửa mặt theo từng phân loại và gợi ý kích thước chậu rửa mặt của một số thương hiệu được ưa chuộng nhất nhé!
Tổng hợp kích thước chậu rửa mặt theo phân loại
Với mỗi loại chậu rửa mặt (lavabo) khác nhau, sẽ có những thông số kích thước khác nhau. Sau đây, Kim Quốc Tiến sẽ tổng hợp giúp bạn kích thước của những sản phẩm chậu rửa mặt đang có trên thị trường, từ đó giúp bạn dễ dàng chọn mua được chậu rửa mặt phù hợp:
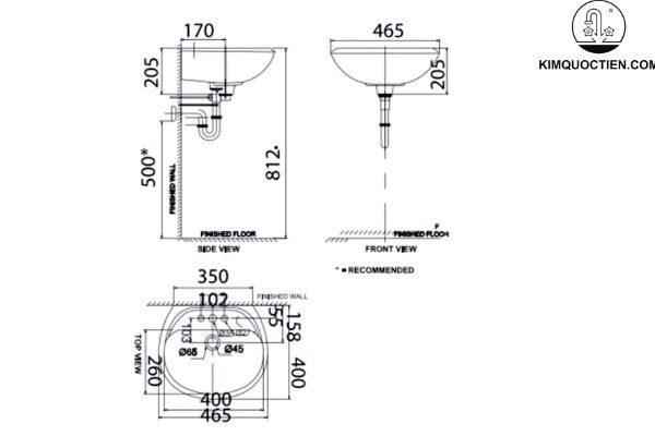
Chậu rửa mặt treo tường
Đây là loại lavabo được lắp trực tiếp lên tường bằng giá treo chuyên dụng hoặc hệ thống vít. Sản phẩm được nhiều người lựa chọn vì có khả năng tiết kiệm diện tích tối đa nhất, phù hợp cho không gian nhỏ gọn, có thiết kế đơn giản, hiện đại và không cần bàn đá.
- Chiều dài: 400 – 500mm
- Chiều rộng: 350 – 430mm
- Chiều cao: 150 – 220mm

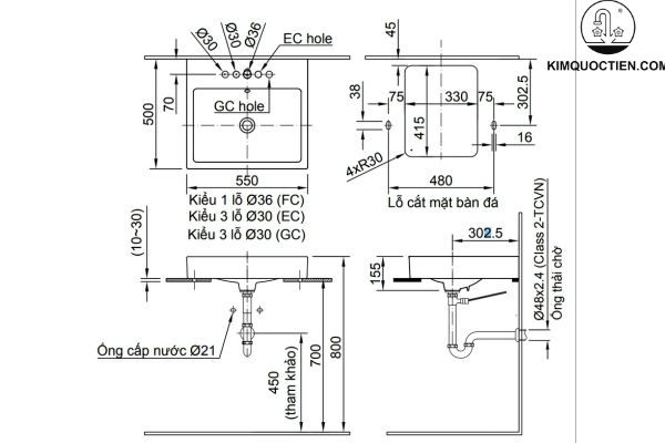
Chậu rửa mặt âm bàn
Chậu rửa mặt âm bàn sở hữu thiết kế tinh tế, giúp tiết kiệm không gian và tạo sự thuận tiện trong việc vệ sinh nhờ toàn bộ phần lòng chậu được đặt âm dưới bàn đá. Loại chậu này phù hợp được nhiều không gian, nhưng thích hợp nhất vẫn là không gian có diện tích rộng, thông thoáng.
- Chiều dài: 550 – 600mm
- Chiều rộng: 380 – 450mm
- Chiều cao: 175 – 210mm

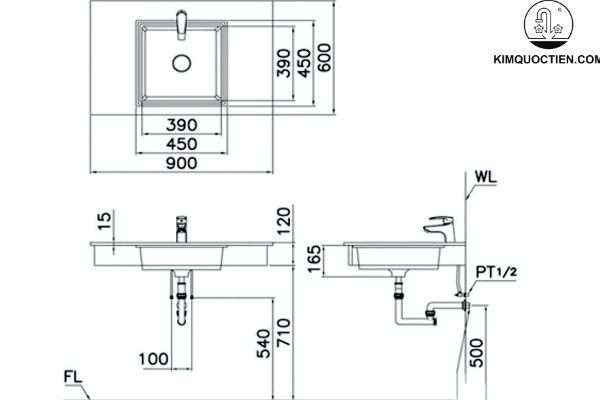
Chậu rửa mặt đặt bàn
Chậu rửa mặt đặt bàn được thiết kế nổi trên mặt bàn, phần ống dẫn nước được ẩn giấu bên dưới, giúp nâng tầm vẻ đẹp cho phòng tắm. Loại chậu này dễ dàng lắp đặt, sửa chữa và phù hợp với nhiều phong cách kiến trúc, mang lại không gian hiện đại, đẳng cấp.
- Chiều dài: 400 – 600mm
- Chiều rộng: 380 – 450mm
- Chiều cao: 70 – 180mm

Chậu rửa mặt dương vành
Chậu rửa mặt dương vành là sự kết hợp tinh tế giữa thiết kế âm bàn ở phần lòng chậu và có vành nổi ở phía trên, tạo điểm nhấn ấn tượng và độc đáo cho không gian phòng tắm. Không chỉ mang lại vẻ đẹp hiện đại, sản phẩm còn tối ưu không gian, có thể tận dụng để trang trí hoặc để đồ vật, giúp phòng tắm trở nên gọn gàng và thẩm mỹ hơn.
- Chiều dài: 700 – 1011mm
- Chiều rộng: 480 – 486mm
- Chiều cao: 175 – 198mm

Chậu rửa mặt đôi
Chậu rửa mặt đôi là lựa chọn lý tưởng cho những gia đình đông người hoặc không gian phòng tắm công cộng cần tối ưu hóa tiện ích. Với thiết kế hai bồn rửa riêng biệt, sản phẩm mang lại sự thuận tiện khi nhiều người có thể sử dụng cùng lúc, giúp tiết kiệm tối đa thời gian.
- Chiều dài: 1100 – 1210mm
- Chiều rộng: 450 – 500mm
- Chiều cao: 170 – 200mm

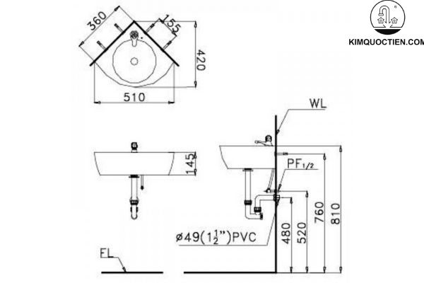
Chậu rửa mặt góc tiêu chuẩn
Chậu rửa mặt góc tiêu chuẩn là giải pháp thông minh cho những phòng tắm nhỏ hẹp, tối ưu được không gian bằng cách tận dụng góc tường hiệu quả. Với thiết kế nhỏ gọn và độc đáo, sản phẩm không chỉ giúp tiết kiệm diện tích mà còn là điểm nhấn độc đáo cho không gian sống của gia đình.
- Chiều dài: 350 – 400mm
- Chiều rộng: 350 – 400mm
- Chiều cao: 130 – 150mm

Chậu rửa mặt tròn tiêu chuẩn
Chậu rửa mặt tròn tiêu chuẩn không chỉ mang lại vẻ đẹp thanh thoát, tinh tế mà còn đảm bảo an toàn nhờ thiết kế không góc cạnh, phù hợp cho gia đình có trẻ nhỏ và người cao tuổi. Với kiểu dáng tròn mềm mại, có tính thẩm mỹ, sản phẩm này dễ dàng kết hợp với nhiều phong cách nội thất, tạo nên một không gian phòng tắm hài hòa và ấn tượng.
- Đường kính: 450 – 500mm
- Chiều cao: 150 – 200mm

Chậu rửa mặt vuông tiêu chuẩn
Loại lavabo này thường được chọn cho những không gian phòng tắm hiện đại, mang đến vẻ đẹp khỏe khoắn với thiết kế góc cạnh sắc nét. Sự kết hợp giữa kiểu dáng vuông vức và tính năng tiện dụng khiến sản phẩm trở thành lựa chọn lý tưởng cho những ai yêu thích phong cách đơn giản mà vẫn đảm bảo sự sang trọng.
- Chiều dài: 400 – 500mm
- Chiều rộng: 400 – 500mm
- Chiều cao: 150 – 200mm

Vì sao kích thước của chậu rửa mặt lại quan trọng trong thiết kế, thi công?
Kích thước của chậu rửa mặt không chỉ ảnh hưởng đến sự cân đối của không gian mà còn quyết định đến tính thẩm mỹ và khả năng tối ưu chi phí trong thiết kế, thi công. Cụ thể:
Tối ưu chi phí, không gian
Lựa chọn kích thước đúng giúp bạn tránh lãng phí khi mua sản phẩm không phù hợp, từ đó tiết kiệm khoản tiền đầu tư ban đầu. Sự lựa chọn này còn giảm thiểu các khoản phát sinh do phải điều chỉnh hoặc thay đổi sau khi lắp đặt.
Ngoài ra, việc chọn kích thước chính xác còn giúp tận dụng hiệu quả từng centimet của phòng tắm, tạo ra không gian thoáng đãng và thuận tiện hơn. Nhờ đó, căn phòng trở nên gọn gàng, thoáng đãng, đặc biệt trong những không gian nhỏ hẹp.

Tăng tính thẩm mỹ
Chậu rửa mặt có kích thước chuẩn sẽ phù hợp và “mix & match” với các món đồ nội thất khác, từ đó tạo nên sự cân đối và thẩm mỹ cho tổng thể phòng tắm. Chọn đúng kích thước cũng giúp không gian trở nên cân đối, hài hòa và có tính thẩm mỹ hơn.

Dễ dàng lắp đặt
Khi chọn đúng kích thước bồn rửa mặt, việc lắp đặt sẽ diễn ra thuận lợi hơn, đảm bảo các bước thi công như cắt, khoan… không bị gián đoạn. Điều này giúp tiến độ nhanh chóng và đảm bảo hệ thống cấp thoát nước hoạt động ổn định, không có sự cố phát sinh.

Gợi ý kích thước chậu rửa mặt của một số thương hiệu lớn được ưa chuộng
Nếu đến đây mà bạn vẫn băn khoăn không biết nên chọn kích thước chậu rửa mặt của thương hiệu nào phù hợp cho phòng tắm gia đình, tham khảo ngay 3 thương hiệu được yêu thích dưới đây:
Kích thước chậu rửa mặt TOTO
TOTO là một trong những thương hiệu đến từ Nhật rất được yêu thích tại Việt Nam. Với công nghệ CeFiONtect độc quyền, TOTO luôn được người dùng tin tưởng nhờ mẫu mã chậu rửa đa dạng, chất liệu sứ cao cấp, hạn chế bám bẩn, dễ dàng vệ sinh,…
Dưới đây là một số mẫu chậu rửa mặt TOTO kèm kích thước cụ thể:
| Tên sản phẩm | Kích thước (DxRxC) |
| Chậu rửa mặt TOTO LT240CS treo tường | 500 x 350 x 800 mm |
| Chậu rửa TOTO LT546 âm bàn | 400 x 550 x 187 mm |
| Chậu rửa TOTO LT1515 âm bàn | 430 x 570 x 147 mm |
| Chậu rửa TOTO LT4724 đặt bàn | 260 x 400 x 107 mm |
| Chậu rửa TOTO LW526NJU đặt bàn | 430 x 430 x 75 mm |
| Chậu rửa TOTO LT952 đặt bàn | 355 x 570 x 132 mm |
| Chậu rửa mặt treo tường chân dài TOTO LPT766C | 510 x 520 x 860 mm |
| Chậu rửa mặt treo tường chân ngắn TOTO LHT236CS | 465 x 530 x 810 mm |
Kích thước chậu rửa mặt INAX
Bên cạnh TOTO, INAX cũng là một thương hiệu thiết bị vệ sinh của Nhật được ưa chuộng không kém. Với công nghệ Aqua Ceramic chống bám bẩn, mức giá phải chăng, thiết kế hiện đại,… INAX luôn mang lại trải nghiệm tuyệt vời cho người dùng.
Dưới đây là một số mẫu chậu rửa mặt INAX kèm kích thước cụ thể:
| Tên sản phẩm | Kích thước (DxRxC) |
| Chậu rửa Inax S-17V treo tường | 440 x 400 x 290 mm |
| Chậu rửa Inax L-284V treo tường | 495 x 425 x 810 mm |
| Chậu rửa Inax L-2298V âm bàn | 550 x 400 x 210mm |
| Chậu rửa Inax L-2293V âm bàn | 415 x 535 x 210 mm |
| Chậu rửa Inax AL-S640V đặt bàn | 700 x 500 x 100 mm |
| Chậu rửa Inax L-445V đặt bàn | 450 x 450 x 165 mm |
| Chậu rửa Inax L-2395V dương vành | 575 x 465 x 206 mm |
| Chậu rửa Inax L-2398V dương vành | 450 x 170 x 550 mm |
Kích thước chậu rửa mặt VIGLACERA
VIGLACERA là thương hiệu chuyên sản xuất các sản phẩm thiết bị vệ sinh của Việt Nam, được đông đảo khách hàng ưa chuộng và tin dùng. Với công nghệ men Nano giúp tạo ra lớp men sáng bóng, có khả năng chặn vi khuẩn cùng chính sách bảo hành tốt,… đã giúp VIGLACERA từng bước xây dựng được vị thế và niềm tin của người dùng.
Dưới đây là một số mẫu chậu rửa mặt mặt VIGLACERA kèm kích thước cụ thể:
| Tên sản phẩm | Kích thước (DxRxC) |
| Chậu rửa mặt Viglacera VTL2/VI1T treo tường chân dài | 505 x 430 x 800 mm |
| Chậu rửa mặt Viglacera VTL3/VI5 treo tường chân ngắn | 486 x 430 x 210 mm |
| Chậu rửa mặt Viglacera CD1 âm bàn dương vành | 513 x 445 x 197 mm |
| Chậu rửa mặt Viglacera CD21 âm bàn dương vành | 632 x 444 x 231 mm |
| Chậu rửa mặt Viglacera V29 dương vành | 520 x 390 x 160 mm |
| Chậu rửa mặt Viglacera CD20 dương vành | 418 x 418 x 170 mm |
| Chậu rửa mặt Viglacera V72 đặt bàn | 490 x 365 x 132 mm |
| Chậu rửa mặt Viglacera CD17 đặt bàn | 613 x 420 x 129 mm |
Trên đây là toàn bộ thông tin tổng hợp kích thước chậu rửa mặt thông dụng nhất mà Kim Quốc Tiến muốn gửi tới quý khách hàng. Nếu khách hàng đang có nhu cầu tư vấn chọn mua chậu rửa mặt phù hợp với thiết kế không gian phòng tắm của gia đình mình, liên hệ ngay tới số hotline 0898.888.516 để được Kim Quốc Tiến tư vấn và giải đáp thắc mắc nhé.