Chậu rửa lavabo TOTO LT710CSR đặt bàn sở hữu thiết kế thanh mảnh phối hợp thiết thực cùng không gian sống. Với vành chậu cực mỏng sẽ trở thành tâm điểm của phòng tắm nhà bạn. Sản phẩm sử dụng công nghệ tráng men CeFiONtect chống bám bẩn cao, cho chậu sáng bóng, bền màu suốt thời gian dài sử dụng.
Thông tin cơ bản chậu rửa mặt TOTO LT710CSR đặt bàn
- Mã sản phẩm: LT710CSR
- Mã sản phẩm cũ: LT710CS
- Xuất xứ: Việt Nam
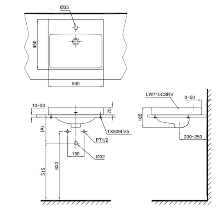
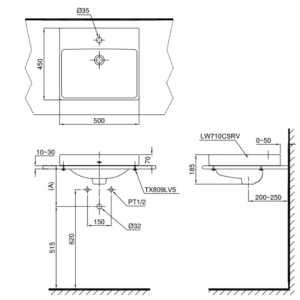
- Kích thước: L450 x W500 x H185 (mm)
- Chất liệu: Sức vệ sinh
- Màu sắc: Trắng
- Lỗ xả tràn: Có
Lưu ý: Sản phẩm không bao gồm vòi và bộ xả
Đặc điểm nổi bật của lavabo TOTO LT710CSR
- Có kiểu dáng hình vuông với thành chậu không quá cao. Viền chậu mỏng cho nét đẹp tinh tế, nhẹ nhàng và thanh lịch.
- Lòng chậu sâu mang hạn chế việc nước bắn ra bên ngoài, mang đến sự tiện lợi cho người sử dụng.
- Bề mặt được tráng một lớp men chống bám bẩn CeFiONtect. Cho độ sáng bóng cao, chống trầy xước tốt, đem lại tuổi thọ sử dụng lâu dài.
- Dễ dàng kết hợp với nhiều loại tủ lavabo hoặc bàn đá tạo cho không gian phòng tắm trở nên sang trọng và thanh lịch hơn.
- Có thiết kế lỗ thoát tràn tiện dụng, chống tràn nước ra sàn nhà nếu bạn quên tắt nước.
- TOTO LT710CSR có thể kết hợp được với nhiều loại mẫu chậu nóng lạnh khác nhau như: TLG01301V, TLG02301V, TLG03301V, TLG04301V, TLS01301V, TLS02301V,…
Bản vẽ chậu rửa lavabo TOTO LT710CSR đặt bàn
Dưới đây là bản vẽ kỹ thuật của sản phẩm, xem thêm để thuận tiện hơn trong việc lắp đặt ngay tại nhà bạn nhé!

Quý khách có nhu cầu tìm hiểu thêm các sản phẩm thiết bị vệ sinh TOTO khác, xin vui lòng liên hệ vào đường dây nóng của Kim Quốc Tiến 0898.888.516 để được nhân viên chúng tôi tư vấn thêm và giải đáp mọi thắc mắc nhanh chóng nhất nhé!
Hiếu Thảo
Giao hàng nhanh lắm, nắp điện tử có nhiều chức năng sử dụng, rất tiện lợi mà giá lại quá hợp lý
Kim Quốc Tiến Quản trị viên
Cảm ơn bạn đã tin tưởng và lựa chọn mua hàng tại Kim Quốc Tiến
Phúc Hoàng
tôi ở Q6, cần giao 1 bộ thì có giao hàng miễn phí không?
Kim Quốc Tiến Quản trị viên
Dạ bộ phận CSKH sẽ liên hệ với mình để tư vấn cụ thể hơn ạ
Nguyễn Tân
Hàng này đảm bảo chính hãng 100% shop nhé
Kim Quốc Tiến Quản trị viên
Cảm ơn bạn đã tin tưởng và lựa chọn mua hàng tại Kim Quốc Tiến
Nhật Nguyên
Tôi đang xài Lavabo Viglacera thì muốn thay cái này có được ko
Kim Quốc Tiến Quản trị viên
Dạ chào bạn! Bạn vui lòng để lại sđt, bộ phận CSKH sẽ liên hệ và tư vấn chi tiết hơn ạ