Chậu rửa mặt TOTO LT300C treo tường là lựa chọn vô cùng lý tưởng đối với các hộ gia đình và các công trình công cộng. Có kích thước nhỏ gọn và kiểu dáng sang trọng. Giúp khu vực lắp đặt của nhà bạn dường như trở nên rộng rãi và đẹp mắt hơn. Ngoài ra, sản phẩm còn có thể tùy chọn kết hợp với nhiều mẫu lavabo khác nhau. Đem đến giải pháp sử dụng đơn giản và hiệu quả.
Thông tin cơ bản của lavabo TOTO LT300C
- Mã sản phẩm: LT300C
- Xuất xứ: Việt Nam
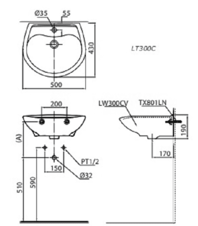
- Kích thước: 430L x 500W x 190H mm
- Màu sắc: Trắng
- Chất liệu: Sứ vệ sinh
- Lỗ bắt vòi: Trên chậu
- Đường kính lỗ bắt vòi: Ø35 (mm)
- Lỗ xả tràn: Có
Đặc điểm ưu việt của sản phẩm
Bề mặt sứ được phủ lớp men siêu nhẵn, ngăn không cho vi khuẩn hay nấm mốc bám vào bề mặt. Giữ cho bề mặt sáng bóng vượt trội với thời gian.
Phần thành chậu có bề mặt rộng nên các bạn có thể thoải mái đặt các vật dụng vệ sinh cá nhân cần thiết. Vừa tiết kiệm được khoảng không gian, vừa đảm bảo các đồ dùng luôn gọn gàng, sạch sẽ.
Lòng sâu rộng và sâu, độ cong phù hợp nên giảm thiểu được tình trạng bắn nước ra ngoài trong quá trình sử dụng. Gây ướt người và mất vệ sinh sàn nhà.
Thiết kế với lỗ thoát tràn tiện dụng, hạn chế được tình trạng nước tràn ra ngoài khi người dùng quên tắt nước.
Thuận tiện vệ sinh, đơn giản và nhanh chóng.
Lắp đặt dễ dàng. Phù hợp với những không gian phòng tắm nhỏ.
Bản vẽ chậu rửa mặt lavabo TOTO LT300C
Để có thể thuận tiện hơn trong quá trình lắp đặt, các bạn có thể tham khảo ngay bản vẽ kỹ thuật của TOTO LT300C ngay sau đây nhé!

Liên hệ ngay vào đường dây nóng 0898.888.516 của Kim Quốc Tiến để được nhân viên tư vấn hỗ trợ nhanh nhất nhé!
Xem thêm các sản phẩm liên quan khác của Kim Quốc Tiến: Lavabo TOTO, Bệt vệ sinh TOTO, Lavabo
Review Chậu Rửa Mặt Lavabo TOTO LT300C#W Treo Tường
Chưa có đánh giá nào.