Bồn tiểu nam Inax AU-468IR cảm ứng treo tường là lựa chọn tối ưu cho công trình cần sự tiện nghi và vệ sinh tuyệt đối. Cảm biến hồng ngoại tự động xả, kết hợp công nghệ men chống bám bẩn Aqua Ceramic và mức nước tiêu thụ cực thấp chỉ 0,5L/lần giúp nâng cao hiệu quả sử dụng và tiết kiệm chi phí lâu dài.
Thông số kỹ thuật Bồn tiểu nam Inax AU-468IR cảm ứng treo tường
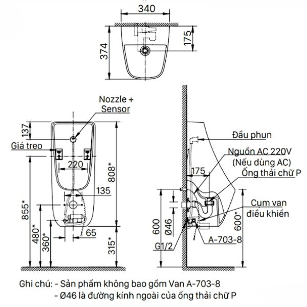
- Mã sản phẩm: AU-468IR
- Loại sản phẩm: Bồn tiểu nam cảm ứng dùng pin treo tường
- Chất liệu: Sứ vệ sinh tráng men Aqua Ceramic
- Kiểu xả: Xả đẩy Washdown
- Lượng nước sử dụng/lần xả: 0,5L
- Áp lực nước: 0.07 ~ 0.75 MPa
- Đường kính ống cấp nước: Phi 21
- Đường kính ống thải: Phi 48
- Kích thước (Sâu x Rộng x Cao): 340 x 374 x 808 mm
- Màu sắc: Trắng
- Xuất xứ: Việt Nam
- Bao gồm: Thân bồn tiểu, bộ xả cảm ứng dùng pin 6V, phụ kiện nắp, giá treo tường, đế thải, dây cấp nước
Mô tả chi tiết Bồn tiểu nam Inax AU-468IR cảm ứng treo tường
- Lòng bồn ứng dụng công nghệ men Aqua Ceramic siêu ưa nước, ngăn bám cặn và giúp bề mặt sáng bóng lâu dài mà không cần tẩy rửa mạnh.
- Cảm biến tự động kích hoạt xả nước sau mỗi lần sử dụng, giúp đảm bảo vệ sinh và không cần thao tác tay, tăng tính an toàn trong môi trường công cộng.
- Tự động xả sau 24h không sử dụng, ngăn hiện tượng khô men và tích tụ vết bẩn, góp phần duy trì bề mặt luôn sạch sẽ.
- Thiết kế xả đẩy phân bố nước đều khắp lòng bồn, đảm bảo khả năng cuốn trôi hoàn toàn chất thải chỉ với 0,5L/lần, giúp tiết kiệm nước đáng kể.
- Kiểu treo tường tiết kiệm diện tích, không góc cạnh dư thừa, thuận tiện vệ sinh và phù hợp với nhiều kiểu không gian nhà vệ sinh hiện đại.
Bản vẽ kỹ thuật Bồn tiểu nam Inax AU-468IR cảm ứng treo tường chính hãng tại Kim Quốc Tiến

Mua ngay Bồn tiểu nam Inax AU-468IR cảm ứng treo tường chính hãng tại Kim Quốc Tiến
Bồn tiểu nam Inax AU-468IR cảm ứng treo tường là sản phẩm được Kim Quốc Tiến phân phối chính hãng với đầy đủ linh kiện, thông tin kỹ thuật và bảo hành từ nhà sản xuất. Khi chọn mua tại đây, bạn sẽ được tư vấn bởi đội ngũ chuyên viên nhiều kinh nghiệm, hỗ trợ lắp đặt đúng chuẩn và tận hưởng dịch vụ hậu mãi uy tín, đảm bảo thiết bị vận hành ổn định lâu dài.
Danh mục: Thiết Bị Vệ Sinh / Bồn Tiểu Nam Nữ / Bồn Tiểu Nam INAX
Thương hiệu: Thiết Bị Vệ Sinh INAX
Review Bồn tiểu nam Inax AU-468IR cảm ứng treo tường
There are no reviews yet.