Bồn cầu xổm CAESAR CT1250 kèm thùng nước treo tường tích hợp cơ chế xả gạt linh hoạt cùng lớp men chống bám bẩn, giúp duy trì vệ sinh tối ưu trong điều kiện sử dụng liên tục. Sản phẩm thích hợp lắp đặt cho gia đình lẫn khu vệ sinh công cộng.

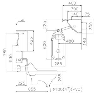
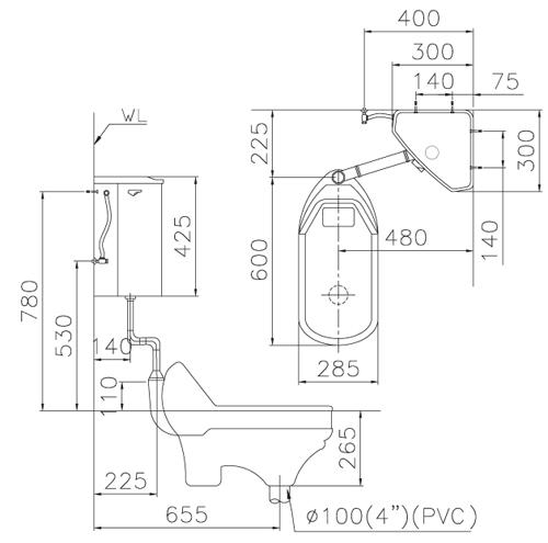
Thông số kỹ thuật bồn cầu xổm CAESAR CT1250 kèm thùng nước treo tường
- Thiết kế: Bồn cầu xổm 2 khối
- Kích thước: 595 x 300 mm
- Chất liệu: Sứ
- Màu sắc: Trắng (PW) và màu nhạt (BI)
- Tâm xả: 695 mm
- Áp lực nước: 0.7 – 5 kgf/cm² (0.07 – 0.5 MPa)
- Lượng nước xả: 4.5L
- Két nước treo tường: T1113
- Kiểu xả: Gạt
Tính năng nổi bật bồn cầu xổm CAESAR CT1250 kèm thùng nước treo tường
- Bồn cầu xổm CAESAR CT1250 kèm thùng nước treo tường ứng dụng hệ thống xả gạt cơ học giúp thao tác dễ dàng và xả sạch chất thải nhanh chóng chỉ với 4.5L nước.
- Thiết kế xổm truyền thống giúp hạn chế tiếp xúc, nâng cao tính an toàn vệ sinh trong môi trường có nhiều người sử dụng.
- Két nước T1113 dạng treo tường tiết kiệm không gian, tạo áp lực nước hiệu quả cho khả năng cuốn trôi tối ưu.
- Lớp men phủ công nghệ Anti-bạc ngăn chặn vi khuẩn và chất bẩn bám dính, giúp duy trì bề mặt luôn sáng sạch và dễ vệ sinh.
- Bồn cầu xổm CAESAR CT1250 kèm thùng nước treo tường được thiết kế chắc chắn, chịu lực tốt và độ bền cao, thích hợp sử dụng tại công trình công cộng có tần suất sử dụng lớn.
- Tâm xả 695 mm phù hợp với nhiều hệ thống thoát nước tiêu chuẩn, thuận tiện trong thi công mới hoặc thay thế.
- Bồn cầu xổm CAESAR CT1250 kèm thùng nước treo tường có khả năng hỗ trợ khử mùi, giúp môi trường phòng vệ sinh luôn thông thoáng, dễ chịu trong quá trình sử dụng liên tục.
Danh mục: Thiết Bị Vệ Sinh / Bồn Cầu / Bồn cầu CAESAR / Bồn Cầu Xổm Caesar
Thương hiệu: Thiết Bị Vệ Sinh CAESAR
Review Bồn Cầu Xổm CAESAR CT1250 Kèm Thùng Nước Treo Tường
There are no reviews yet.