Kim Quốc Tiến hân hạnh giới thiệu Bồn Cầu TOTO MS688E2#XW 1 Khối Nắp Rửa Cơ TCW07S – sự kết hợp hoàn hảo giữa thiết kế sang trọng, công nghệ hiện đại và tính năng tiện nghi, mang đến trải nghiệm vệ sinh đẳng cấp cho bạn và gia đình.
Hãy cùng khám phá những ưu điểm vượt trội của sản phẩm này trong bài viết sau đây!

Đặc điểm của bồn cầu TOTO MS688E2 nắp rửa cơ
- Tên sản phẩm: Bàn cầu TOTO MS688E2, bồn cầu TOTO một khối kèm nắp đóng êm kèm vòi rửa Eco-washer TCW07S
- Hệ thống xả: Tornado Siphon Jet với lượng xả nước 6 lít cho mỗi lần
- Thiết kế: Thân dài, 1 khối sang trọng hiện đại, vành kín tiện dụng cho việc vệ sinh hàng ngày
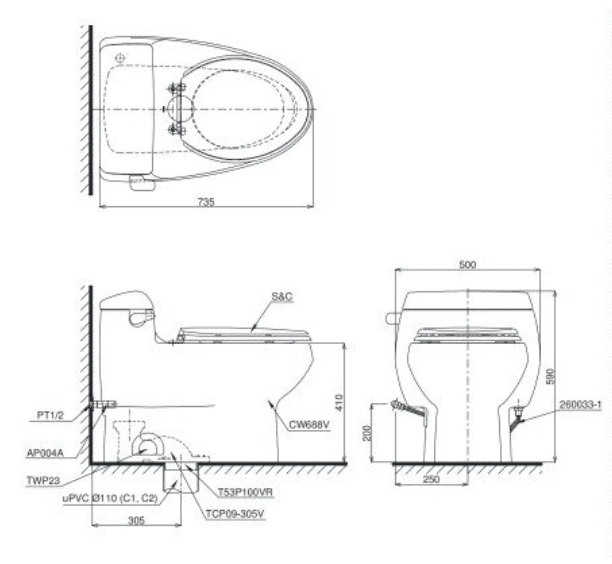
- Tâm xả: 305mm
- Kích thước: 760x500x590 mm
- Áp lực nước: 0.05MPa~0.75MPa
- Chiếc bệt cầu TOTO này có màu sắc: Màu trắng
- Bao gồm van khóa và gioăng đế. Sản phẩm không cần dùng điện và dễ dàng sử dụng
- Bề mặt nước rộng giúp ngăn mùi hiệu quả
- Công nghệ CeFiONtect giúp lòng bàn cầu siêu nhẵn, hạn chế tối đa các vết bẩn, vi khuẩn
- Hệ thống xả xoáy Tornado mạnh mẽ, dòng nước xoáy đều quanh mặt cầu đem lại hiệu quả tối ưu
Bồn cầu TOTO MS688E2 gồm có
- Thân cầu: C688 – Xuất xứ: Việt Nam
- Nắp rửa cơ TCW07S (E2)
- Xuất xứ: Inđônêxia
- Sau đây là bản vẽ của bàn cầu TOTO này giúp bạn dễ dàng lắp đặt ngay tại nhà

Review Bồn Cầu TOTO MS688E2#XW 1 Khối Nắp Rửa Cơ TCW07S
Chưa có đánh giá nào.