Bồn cầu INAX AC-4005VN 1 khối ứng dụng hệ thống xả từ hai cửa xoáy ECO-X, kết hợp men HYPERKILAMIC có Ag+ kháng khuẩn. Sản phẩm vận hành êm ngay cả ban đêm, thân thiện môi trường với nút nhấn tiết kiệm nước, giúp duy trì sạch sẽ lâu dài.
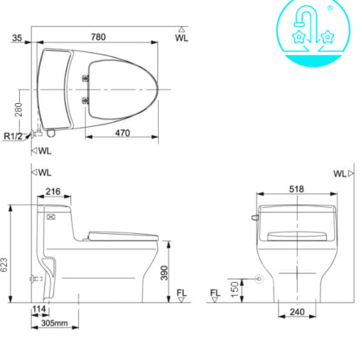
Thông số bồn cầu INAX AC-4005VN 1 khối
- Kích thước: 780 x 518 x 623 mm (Dài x Rộng x Cao)
- Tâm thoát: 300mm ±5
- Kiểu xả: Gạt (5.0L), 2 nút nhấn tiết kiệm nước
- Công nghệ xả: ECO-X – hai cửa xả xoáy
- Hệ thống xả: Xi-phông mạnh mẽ
- Màu sắc: Trắng
- Đã bao gồm: Đế thải T-93V và van khóa nước LF-3KE
- Nắp bàn cầu: CF-3003VS, tương thích nắp điện tử, nắp rửa cơ
- Xuất xứ: Việt Nam
Tính năng nổi bật bồn cầu INAX AC-4005VN 1 khối
- Bồn cầu INAX AC-4005VN 1 khối sử dụng toàn bộ lượng nước từ két trên, tạo dòng xoáy mạnh giúp rửa trôi chất thải mà không để lại cặn bẩn.
- Hệ thống ECO-X với hai cửa xả đối xứng, tạo dòng nước xoáy đều lòng bồn cầu giúp xả sạch mà vẫn hoạt động cực kỳ êm ái.
- Kiểu xả gạt một lần với lưu lượng 5.0L phù hợp sử dụng hằng ngày mà không gây lãng phí nước.
- Bồn cầu INAX AC-4005VN 1 khối tích hợp hai nút nhấn xả khác nhau giúp người dùng chủ động lựa chọn lượng nước theo mức chất thải, tiết kiệm tài nguyên hiệu quả.
- Lớp men AQUA CERAMIC giúp chống bám cặn, ngăn vết ố và giảm nhu cầu sử dụng hóa chất tẩy rửa trong thời gian dài.
- Công nghệ men sứ HYPERKILAMIC bổ sung bạc Ag+ có khả năng kháng khuẩn, giữ cho bề mặt men luôn sạch khuẩn và an toàn khi tiếp xúc.
- Các hạt Zirco trong lớp men giúp bề mặt cứng chắc, hạn chế trầy xước và giữ độ sáng bóng bền theo thời gian.
- Bồn cầu INAX AC-4005VN 1 khối phù hợp lắp đặt gần phòng ngủ nhờ khả năng xả êm không gây tiếng ồn lớn, mang lại cảm giác riêng tư vào ban đêm.
Bản vẽ kỹ thuật bồn cầu INAX AC-4005VN 1 khối

Danh mục: Thiết Bị Vệ Sinh / Bồn Cầu / Bồn cầu INAX / Bồn Cầu INAX 1 Khối
Thương hiệu: Thiết Bị Vệ Sinh INAX


Việt Cường
thằng bạn làm bên nội thất nó giới thiệu cho t qua đây mua, mà t thấy cũng ok á, giá vậy là cũng hợp lý
Kim Quốc Tiến Quản trị viên
Cảm ơn bạn đã tin tưởng và mua hàng tại Kim Quốc Tiến.
Minh Tiến
“nãy có ghé qua shop, lúc đầu chỉ đi xem tham khảo nhiều chỗ cho biết thôi, mà mấy bạn nhân viên hướng dẫ nhiệt tình
còn dễ thương nữa chứ nên là chốt đơn luôn.”
Kim Quốc Tiến Quản trị viên
Cảm ơn bạn đã tin tưởng và mua hàng tại Kim Quốc Tiến
Hải Bình
“nhà vệ sinh nhà mình không được to lắm, có thể tư vấn cho mình cách chọn sản phẩm phù hợp với nhà vệ sinh của
mình được không ạ?”
Kim Quốc Tiến Quản trị viên
Chào bạn! Nhân viên tư vấn của Kim Quốc Tiến sẽ liên hệ với bạn ngay ạ!
Anh Quốc
đặt hàng cách nào ạ?
Kim Quốc Tiến Quản trị viên
Chào bạn! Nhân viên tư vấn của Kim Quốc Tiến sẽ liên hệ với bạn ngay ạ!
Như Ý
mình ở bình tân, thì có được miễn phí vẫn chuyển không?
Kim Quốc Tiến Quản trị viên
Chào bạn! Bạn vui lòng để lại thông tin để nhân viên có thể tư vấn kĩ hơn cho bạn ạ!