Bồn cầu điện tử TOTO CS300DRW16#W là sự kết hợp giữa thân cầu hai khối thiết kế thân dài, bán kín cùng nắp rửa điện tử Washlet TCF23410AAA .Sản phẩm sở hữu kích thước gọn gàng với nhiều công nghệ phun rửa hiện đại, phù hợp lắp đặt trong nhiều không gian, mang đến trải nghiệm vệ sinh tiện nghi và sạch khuẩn.

Thông số kỹ thuật Bồn cầu điện tử TOTO CS300DRW16#W
- Bộ sưu tập: New Standard
- Tên sản phẩm: Bồn cầu TOTO nắp điện tử Washlet TCF23410AAA (220V)
- Mã sản phẩm: CS300DRW16#W
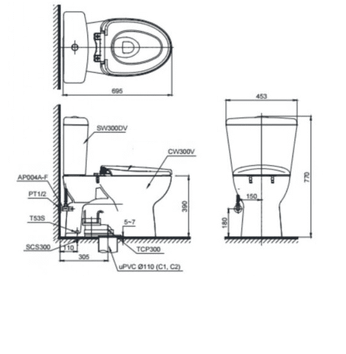
- Kích thước: 695D x 453W x 770H mm
- Màu sắc: Trắng
- Hệ thống xả: Siphon
- Lượng nước xả: 4.8L/3L
- Thiết kế: Thân dài, thân bán kín
- Tâm xả: 305 mm
- Áp lực nước: 0.05 ~ 0.70 MPa
- Nguồn điện: 220V, 50/60Hz
- Bao gồm: Van dừng
- Thân cầu: C300R – Xuất xứ: Việt Nam
- Két nước: S300D – Xuất xứ: Việt Nam
- Nắp điện tử: TCF23410AAA – Xuất xứ: Malaysia
Tính năng nổi bật Bồn cầu điện tử TOTO CS300DRW16#W
- Bồn cầu điện tử TOTO CS300DRW16#W sử dụng hệ thống xả Siphon tạo lực hút mạnh giúp rửa sạch chất thải mà vẫn tiết kiệm nước hiệu quả cho người dùng.
- Bề mặt phủ men CeFiONtect có khả năng chống bám bẩn, dễ dàng lau rửa, hỗ trợ duy trì vệ sinh lâu dài cho lòng bàn cầu.
- Nắp điện tử tích hợp công nghệ Ewater+ giúp phun dung dịch điện phân làm sạch tự động vòi rửa, ngăn vi khuẩn phát triển mà không cần dùng hóa chất.
- Vòi rửa của bồn cầu điện tử TOTO CS300DRW16#W cho phép điều chỉnh vị trí, kết hợp tính năng massage nhẹ nhàng phù hợp với từng nhu cầu cá nhân.
- Hệ thống sưởi ấm bệ ngồi hoạt động nhanh chóng, tính năng sấy khô và khử mùi được kích hoạt tự động ngay sau khi sử dụng giúp duy trì sự dễ chịu và vệ sinh tuyệt đối cho không gian phòng tắm.
Bản vẽ kỹ thuật Bồn cầu điện tử TOTO CS300DRW16#W

Danh mục: Thiết Bị Vệ Sinh / Bồn Cầu / Bồn cầu TOTO / Bồn Cầu Thông Minh TOTO
Thương hiệu: Thiết Bị Vệ Sinh TOTO
Review Bồn Cầu Điện Tử TOTO CS300DRW16#W Kèm Nắp Rửa Điện Tử WASHLET Dòng C2 – TCF23410AAA (220V)
There are no reviews yet.