Bồn cầu 1 khối INAX AC-900R+CW-S32VN là sự kết hợp giữa khả năng xả nước mạnh mẽ và tiện ích rửa cơ thông minh. Sản phẩm phù hợp với cả khu vực có áp lực nước thấp, vận hành không dùng điện, dễ vệ sinh và thân thiện với môi trường sử dụng lâu dài.
Thông số bồn cầu 1 khối INAX AC-900R+CW-S32VN
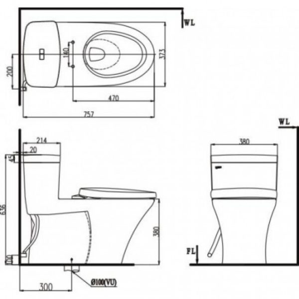
- Kích thước bồn cầu: 757 x 380 x 636 mm
- Kích thước nắp: 370 x 500 x 63 mm
- Tâm thoát: 300 mm (±5)
- Kiểu xả: Nhấn 2 chế độ – 5L/3.5L
- Công nghệ xả: Mạnh mẽ, tối ưu
- Bao gồm đế thải nước T-82V
- Bao gồm van khóa nước A-703-4
- Nắp rửa cơ CW-S32VN không dùng điện
- Áp suất nước cấp vào nắp: 0.03 – 0.75 MPa
- Trọng lượng nắp: ~3kg
- Nước cấp: Nối trực tiếp đường ống
- Màu sắc: Trắng
- Chứng nhận: ISO-9001, ISO-14001
Mô tả chi tiết bồn cầu 1 khối INAX AC-900R+CW-S32VN
- Xả nước hiệu quả với hai chế độ tùy chỉnh: Hệ thống xả nhấn 5L/3.5L hỗ trợ xả sạch nhanh chóng mà vẫn tiết kiệm lượng nước tiêu thụ.
- Công nghệ xả tối ưu: Kết hợp thiết kế lòng cầu và lực đẩy mạnh cuốn trôi vết bẩn mà không cần nhiều lần xả.
- Men sứ Aqua Ceramic cao cấp: Bề mặt luôn trắng sáng, chống đóng cặn và duy trì vẻ mới đến 100 năm chỉ với cách vệ sinh thông thường.
- Nắp rửa cơ CW-S32VN tiện lợi không dùng điện: Hoạt động nhờ áp lực nước, phù hợp cho khu vực có nguồn nước yếu.
- Tích hợp hai vòi rửa riêng biệt: Cung cấp chức năng rửa trước và rửa sau, tăng tính sạch sẽ và tiện lợi trong sinh hoạt hằng ngày.
- Không cần giấy vệ sinh: Rút ngắn thao tác sử dụng, giảm chất thải, góp phần bảo vệ môi trường sống.
- Thiết kế thân kín dễ vệ sinh: Tối giản các khe hở, bề mặt trơn láng giúp việc lau chùi trở nên nhanh chóng, tiết kiệm công sức.
- Chiều cao sử dụng hợp lý: Mang lại cảm giác ngồi thoải mái, phù hợp với mọi lứa tuổi.
Bản vẽ kỹ thuật bồn cầu 1 khối INAX AC-900R+CW-S32VN chính hãng tại Kim Quốc Tiến

Mua ngay bồn cầu 1 khối INAX AC-900R+CW-S32VN chính hãng tại Kim Quốc Tiến
Khách hàng có thể mua sản phẩm trực tiếp tại hệ thống showroom Kim Quốc Tiến hoặc qua kênh online tiện lợi. Đội ngũ tư vấn hỗ trợ nhanh chóng, kèm hướng dẫn lắp đặt và chính sách bảo hành rõ ràng.
Danh mục: Thiết Bị Vệ Sinh / Bồn Cầu / Bồn cầu INAX / Bồn Cầu Rửa Cơ INAX
Thương hiệu: Thiết Bị Vệ Sinh INAX
Review Bồn cầu 1 khối INAX AC-900R+CW-S32VN
There are no reviews yet.